Renesas Electronics ISL78263コールドクランク・ブーストおよびバック・コントローラ
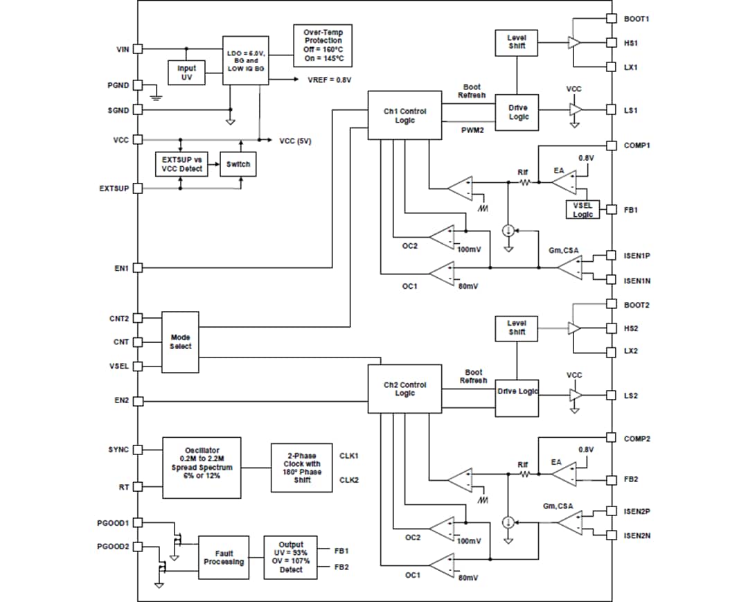
Renesas Electronics ISL78263コールド・クランク・ブーストおよびバック・コントローラは、2つのDC-DCチャンネル、ブーストとバックをサポートしているデュアル・コントローラで、それぞれ複数の構成をサポートしています。チャンネル1は、バックコンバータとして動作し、固定3.3V、固定5.0V、または0.8V~5.0Vの間で調整できる出力電圧として構成できます。チャンネル2は、個々のブーストおよびコールド・クランク・ブーストで動作するように構成できるブースト回路です。ISL78263は、バッテリのドロップアウト状態中に動作を継続する必要がある車載システムをサポートするように設計されています。チャンネル2ブーストレギュレータは、電圧レールを維持してチャネル1バックレギュレータに電力を供給します。これは、バッテリがドロップアウトを体験した際に安定化の範囲内に留まる必要があります。ブーストおよびバック段は、完全に独立させることもできます。コールドクランク・ブーストモードでのチャンネル2ブーストは出力を調整でき、コールドクランク期間中に2.1V <VBAT <8Vの場合にアクティブになります。チャンネル2からの出力電圧は、チャンネル1バックを供給します。これは、can either be configured as FB1からVOUT1への直接接続による3.3Vまたは5V固定として、あるいはVOUT1からFB1から接地への抵抗分圧器を使用して0.8V~5Vの間で調整できるように構成できます。
ISL78263には、起動に5.65Vの最小入力電圧が必要です。チャンネル2ブーストには、2.1V~42Vの入力範囲あり。他方、チャンネル1バックには、3.5V~42Vの入力範囲あり
ISL78263バックは、外付け負荷が印加されていない場合に自己消費電流を標準6µAに低減することによって省エネモード(ECM)で動作し、低IQモードを実現できます。スイッチング周波数は、0.2MHz~2.2MHzの範囲でプログラミングでき、SYNCピンを使用することで外部クロックに同期させることができます。オプションのスペクトラム拡散動作によって、EMIおよびノイズレベルを低減できます。
Renesas Electronics ISL78263コールド・クランク・ブーストおよびバック・コントローラは、AEC-Q100グレード1の認定を取得しており、-40°C~125°Cの周囲温度範囲で動作するように指定されています。また、5mm x 5mm Wettable Flankクワッド・フラット・ノーリード(WFQFN)パッケージでご用意があります。ISL78263の機能によって、常時ON動作の維持と複数のコールドクランク過渡をサポートする必要がある車載システムのフロントエンド・レギュレータとして最適です。
特徴
- 2.1~42.0 VIN動作範囲
- 小自己消費電流、標準6µA、バックチャンネル
- 200kHz~2.2MHzスイッチング周波数
- 1倍または0.2倍のバック周波数でのブースト周波数
- 高負荷サイクル動作のためのドロップアウト・モード(バック)
- 低負荷サイクル動作のための25ns ON時間
- 外部同期
- プログラマブル拡散スペクトラム・クロッキング
- 2Aソーシング/ 3AシンキングMOSFETドライバ
- ブートUVおよびプログラマブル・ブート・リフレッシュ時間
- OV/UV/OC/OTの広範な保護メカニズム
- 動作温度範囲: -40°C~+125°C
- 5mm x 5mm WFQFN32パッケージ
- AEC-Q100 Grade 1に認定済
- RoHS準拠
アプリケーション
- 車載バッテリ供給アプリケーション
- ヘッドユニット、 クラスタ、eミラーといった起動停止保護システム
- インキャビン・システム
- 先進運転支援システム(ADAS)
構成オプション
ブロック図
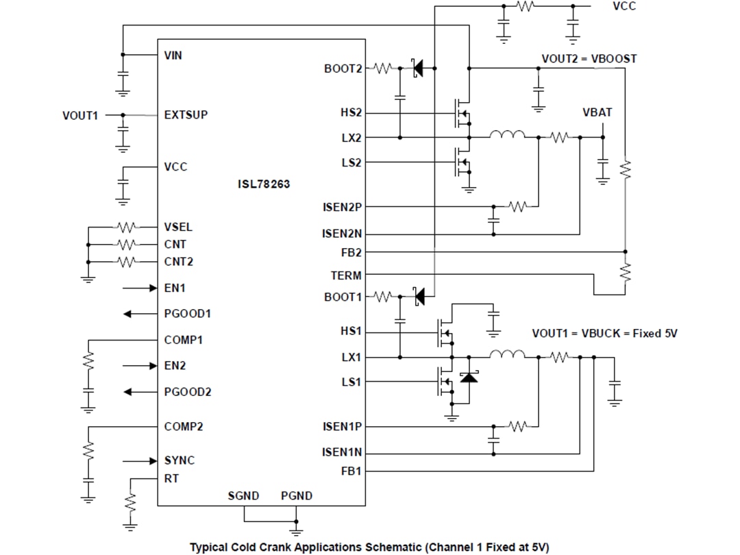
標準アプリケーション回路
IVIシステムのアプリケーション回路
パッケージの外形
