Renesas Electronics ISL78264デュアル同期バックコントローラ
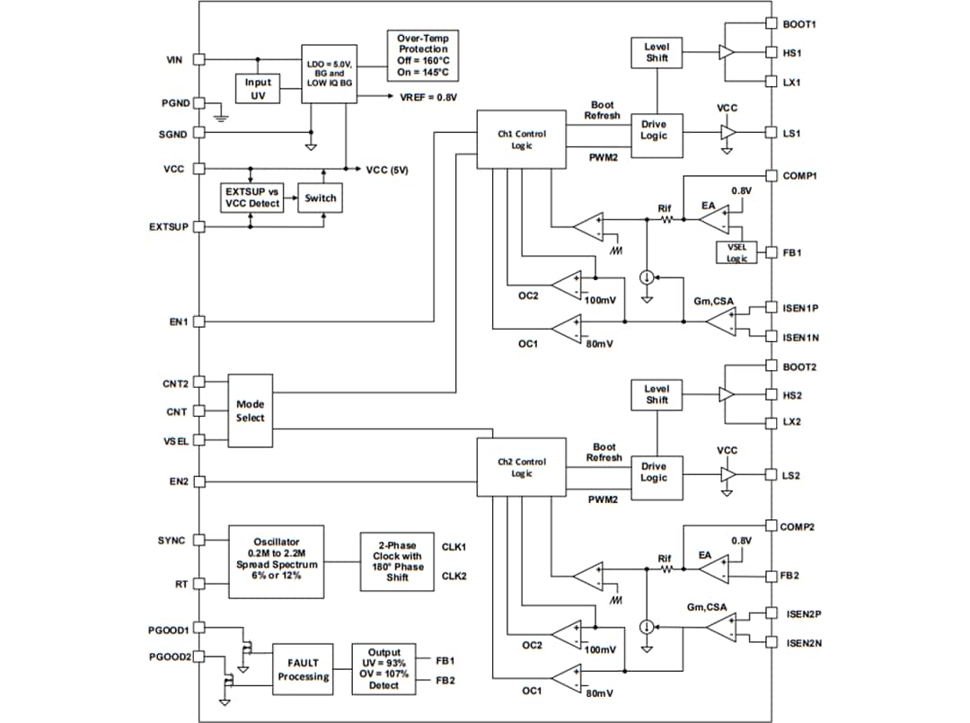
Renesas Electronics ISL78264デュアル同期バックコントローラは、さまざまなモードで構成できるバック1とバック2の2つのDC-DCチャンネルをサポートしているデュアルコントローラデバイスで、3.75V~42.0VのVIN 範囲全体で動作します。 バックコンバータ1は、固定3.3V、固定5.0Vとして、あるいは0.8V~5.0Vの間で調節できる出力降圧レギュレータとして構成できます。バックコンバータ2には、0.8V~32Vの範囲で設定できる調節可能な出力があります。適切な外付け部品が選択されている場合、ISL78264は、各降圧コンバータで10Aを大きく上回る負荷電流に対応できます。EMIを軽減するために、このデバイスは外部クロックまたはプログラマブルスペクトラム拡散クロッキングへの同期をサポートしています。ISL78264には、堅牢なMOSFETドライバが統合されており、通常の動作で高出力電流を必要とする降圧アプリケーションに容易に対応します。極めて低電力の常時オン動作も維持する必要があるアプリケーションを対象に、その省エネルギーモードによって動作電流を6µAまで低減できます。VOUT1 向けの統合フィードバックは、3.3Vまたは5.0Vのアプリケーション向けに提供されており、外部フィードバック抵抗器に流れる電流を排除します。効率性を最大限に高めるために、外部電源への自動スイッチオーバーもサポートされています。阻止ダイオードは、VIN での低入力電圧にバイアス接続するバックからの外部電源を防止するために起動後にアクティブになります。
Renesas Electronics ISL78264デュアル同期バックコントローラは、AEC-Q100グレード1の認定を取得しており、-40°C~125°Cの周囲温度範囲で動作するように指定されています。このデバイスは、5mm x 5mm Wettable Flankクワッド・フラット・ノーリード(WFQFN)パッケージでご用意があります。
特徴
- 3.75V~42.0V VIN 動作範囲
- 低自己消費電流、標準6µA、1チャンネル
- スイッチング周波数:200kHz~2MHz
- 高負荷サイクル動作のためのドロップアウトモード
- 低負荷サイクル動作のための25nsオンタイム
- 外部同期
- プログラマブルスペクトラム拡散クロッキング
- 180°位相シフト(チャンネル間)
- 2Aソーシング/3AシンキングMOSFETドライバ
- ブートUVLOおよびプログラマブル・ブート・リフレッシュ時間
- OV/UV/OC/OTの広範な保護メカニズム
- 動作温度範囲:-40°C~125°C
- 5mm x 5mm WFQFN32パッケージ
- AEC-Q100グレード1認定
- RoHS準拠
アプリケーション
- 自動車用12Vシステム
- インフォテインメントシステム
- コクピット安全システム
- 先進運転支援システム(ADAS)
ブロック図
標準アプリケーション回路
パッケージの概要
公開: 2020-08-04
| 更新済み: 2023-06-20
