Renesas Electronics ISL81601EVAL1Z評価ボード
Renesas Electronics ISL81601EVAL1Z評価ボードは、高電流アプリケーション用に設計されています。ISL81601EVAL1Zの電流定格は、FETと選択されたインダクタによって制限されています。このボードは、ISL81601 60V高電圧および同期バックブースト・コントローラが特徴です。このコントローラには、外部ソフトスタート、独立したイネーブル機能があり、UV/OV/OC/OT保護機能が統合されています。100kHz~600kHzのプログラマブル・スイッチング周波数範囲は、インダクタ・サイズの最適化に役立ちます。他方、強力なゲート・ドライバは、バックブースト出力に最大20Aを供給します。特徴
- 広い入力範囲: 9V~60V
- 双方向動作
- パルス・スキップDEM動作での高軽負荷効率
- プログラマブルソフトスタート機能
- オプションのDEM/PWM動作
- オプションのCC/ヒカップOCP保護
- ソフトスタートによるプリバイアス出力をサポート
- PGOOD インジケータ
- OVP、OTP、UVP保護
- 効率性を改善するための出力からのバック・バイアス
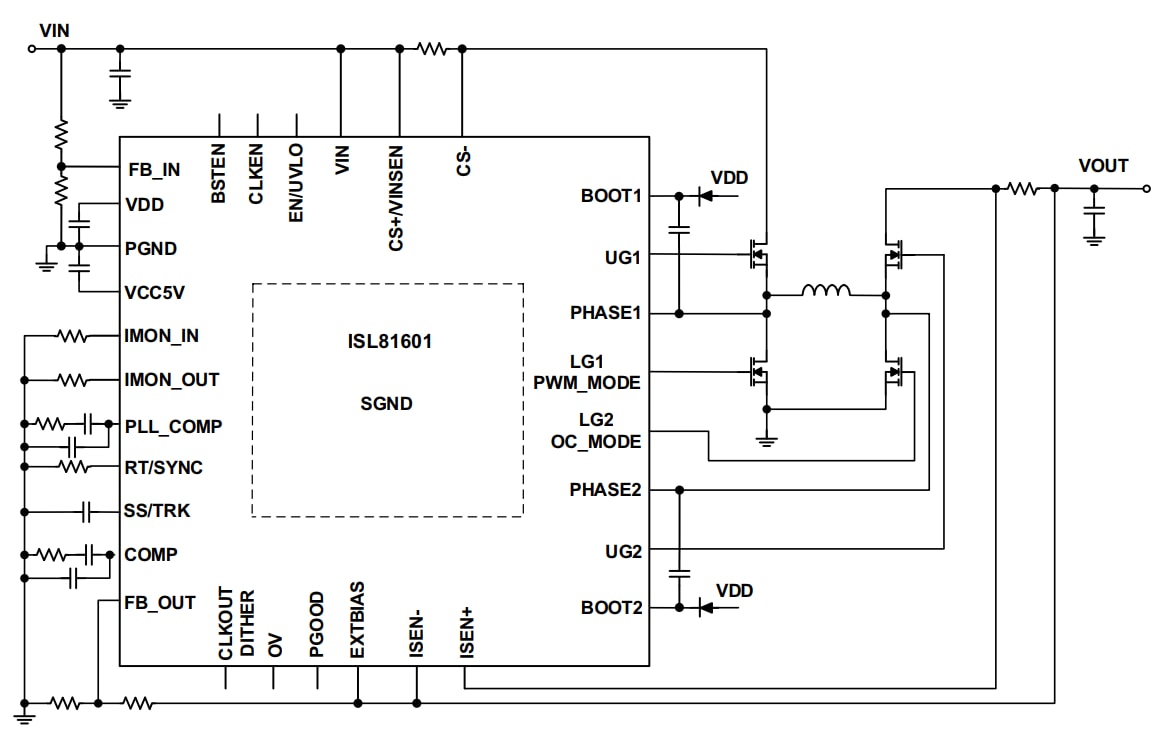
ブロック図
公開: 2018-10-08
| 更新済み: 2023-02-10
