Renesas Electronics ISL81802デュアル同期バックコントローラ
Renesas Electronics ISL81802デュアル同期・降圧コントローラは、2 つの独立した出力、または 2 つのインターリーブ位相を持つ 1 つの出力を生成するように設計されています。これらのコントローラは、2つの出力に対して位相インターリーブを備えたピーク電流モード制御が特徴です。ISL81802コントローラには、プログラム可能なソフトスタート、電源レールのシーケンシングを簡素化する電源正常インジケータを備えた正確な閾値イネーブル機能も搭載されております。これらのコントローラは、4.5V ~ 80Vの入力電圧範囲、100kHz ~ 1MHzのプログラム可能な周波数範囲、5µAの低シャットダウン電流で動作します。ISL81802コントローラは、高信頼性のため、両方の出力で過電圧保護(OVP) 、不足電圧保護 (UVP) 、プログラム可能なワンタイム・メモリ(OTP) 、平均およびピーク電流制限を提供します。これらのコントローラは、電気通信、データセンター、自動車用電子機器、産業用の機器、電力システムで使用されます。特徴
- 4つの MOSFETドライバ(適応型シュートスルー保護機能を備えた)
- 軽負荷効率性の拡張、低リップル・ダイオード・エミュレーション、バーストモード動作
- プログラム可能なソフトスタート
- プリバイアスされたレール内への起動をサポート
- 外部クロック同期
- PLLや周波数デザリングによって制御される精度位相角を備えたクロックを出力
- 出力電流モニタ
- 定出力電圧および出力電流帰還ループ制御
- カスケード位相インターリーブによる電流共有をサポート
- PGOODインジケータ
- PWM/DE/バーストの間で選択可能なモード
- 入力電圧範囲4.5V~80V
- 0.8V~76V出力電圧範囲
- 5µA小シャットダウン電流
- 100kHz~1MHzプログラマブル周波数範囲
- EN/UVLO閾値精度:±2%
アプリケーション
- 電気通信
- サーバーとデータセンター
- 車載用電子機器
- 産業機器
- 電力システム
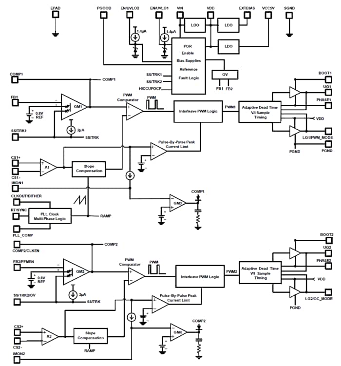
ブロック図
標準的なアプリケーション図
公開: 2020-12-17
| 更新済み: 2023-12-11
