Renesas Electronics ISL81801 80Vバックブーストコントローラ
Renesas Electronics ISL8180180V昇降圧コントローラは、両端でピーク電流と平均電流の検出と監視を行う真の双方向 4 スイッチコントローラです。これらのコントローラは、独自のバックブースト制御アルゴリズム、ブーストモード用のバレー電流変調、バックモード制御用のピーク電流変調が特徴です。ISL81801コントローラは、カスケード位相インターリーブによる並列動作電流共有をサポートし、PWM/DE/バーストモード間で選択可能なPWMモード動作を提供します。これらのコントローラは、4.5V ~ 80Vの入力電圧範囲、0.8V ~ 80Vの広い出力電圧範囲、100kHz ~ 600kHzのプログラム可能な周波数範囲内で動作します。ISL81801コントローラは、熱性能とノイズ耐性を向上させるためにEPADが採用されているTQFNおよびHTSSOPパッケージでご用意があります。これらのコントローラは、バッテリ・バックアップ、冗長電源、医療機器、 セキュリティ監視、アフターマーケット自動車、再生可能エネルギー、バッテリ駆動の産業用アプリケーションで使用されます。特徴
- シングル・インダクタ4スイッチ・バックブースト・コントローラ
- 両端で電圧と電流を独立的に制御するオン・ザ・フライ双方向動作
- スムーズなモード移行のための独自アルゴリズム
- 適応型シュートスルー保護搭載MOSFETドライバ
- カスケード位相インターリーブによる並列動作電流共有をサポート
- クロック出力または周波数デザリングを用いた外部同期
- 出力および入力電力モニタ
- 正確なEN/UVLOとPGOODインジケータ
- プリバイアスされたレール内への起動をサポート
- 8V ~ 36V入力の効率性を高めるための外部バイアス
- PWM/DE/バーストモード間で選択可能なPWMモード動作
- プログラム可能な周波数範囲: 100kHz ~ 600kHz
- 入力電圧範囲4.5V~80V
- 0.8V~80V出力電圧範囲
- 小シャットダウン電流:2.7µA
アプリケーション
- 予備バッテリ
- UPS/ストレージ・システム
- バッテリ駆動工業アプリケーション
- 再生可能エネルギー
- アフターマーケット自動車
- 冗長電源
- ロボットとドローン
- 医療機器
- ビルと工業オートメーション
- セキュリティカメラ
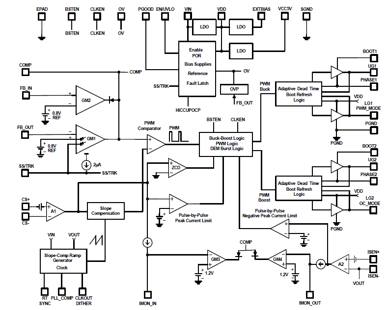
ブロック図
標準的なアプリケーション図
公開: 2020-12-15
| 更新済み: 2023-12-11
