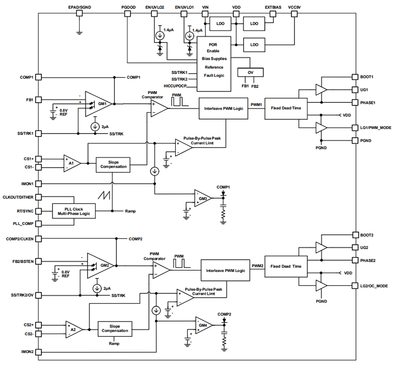
ISL81806は、2つの出力に対して位相インターリーブを備えたピーク電流モード制御を使用します。各出力は電流モニタ、電圧レギュレータ、平均電流レギュレータを備えており、独立した平均電圧/電流制御を提供します。内部の位相ロック・ループ(PLL)発振器によって、100kHz ~ 1MHzの精度周波数設定が保証されます。発振器は、周波数同期および位相インターリーブ並列アプリケーションを対象に、外部クロック信号に同期できます。このPLL回路は、3相、4相、6相まで拡張されるプログラム可能な位相シフト・クロック信号を出力します。
32リード 5mm x 5mm TQFNパッケージ (EPAD搭載) のRenesas ISL81806は、プログラム可能なソフトスタート、正確な閾値イネーブル機能、電源レールのシーケンシングを簡素化する電源正常インジケータを備えています。このデバイスは、両方の出力でOVP、UVP、OTP、OCPなどの完全な保護機能も提供します。
特徴
- 広い入力電圧範囲:4.5V~80V
- 広い出力電圧範囲:0.8V~76V
- ゲート・ドライブ電圧:5.3V
- 4つの FETドライバ
- インターリーブ・デュアル出力、またはインターリーブ二相動作の単一出力
- プログラム可能な周波数範囲: 100kHz ~ 2MHz
- 定出力電圧および出力電流帰還ループ制御
- 軽負荷効率性の拡張、低リップル・ダイオード・エミュレーション、バースト・モード動作
- プログラム可能なソフトスタート
- プリバイアスされたレール内への起動をサポート
- カスケード位相インターリーブによる電流共有をサポート
- 外部クロック同期
- PLLや周波数デザリングによって制御される精度位相角を備えたクロックを出力
- PGOODインジケータ
- 出力電流モニタ
- PWM/DE/バーストの間で選択可能なモード
- EN/UVLO閾値の精度:±2%
- 5μAの低シャットダウン電流
- OCP(パルス・バイ・パルスおよびオプションのヒカップや定電流モード)、OVP、OTP、UVP
アプリケーション
- 電気通信
- サーバーとデータセンター
- 車載用電子機器
- 産業機器
- 電力システム
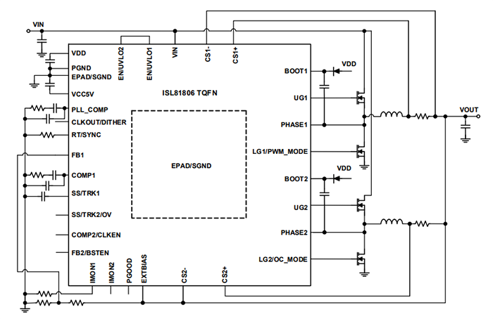
代表的なアプリケーション
ブロック図
その他の資料
公開: 2023-12-11
| 更新済み: 2024-01-08

