Renesas Electronics RTKA211412DE0000BU評価ボード
Renesas Electronics RTKA211412DE0000BU評価ボードは、630kHzスイッチング周波数が備わったRAA211412、DC/DC降圧レギュレータを実証し、迅速に評価します。RAA211412レギュレータは、 5.8V〜45Vの広い動作入力電圧 範囲および調整可能な出力 電圧をサポートします。このRAA211412降圧レギュレータは、最大1Aの最大連続出力 電流を供給できます。RTKA211412DE0000BU評価ボードには、RAA211412を使用した完全バックレギュレータが実装されています。特徴
- シンプルかつ柔軟性に富んだ設計
- 調節可能な出力電圧
- 便利な電力変換
仕様
- 入力電圧範囲: 5.8V~45V
- 3.3V 出力電圧
- 出力電流: 最大1A
- 630kHz スイッチング周波数
ブロック図
ボード設定
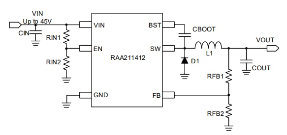
回路図
公開: 2023-06-07
| 更新済み: 2023-07-11
