Renesas Electronics RAA211650評価ボード
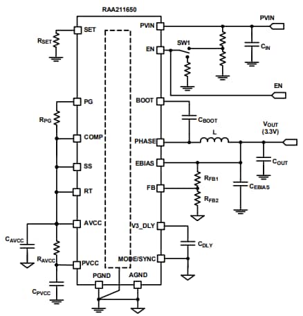
Renesas Electronics RAA211650 評価ボードは、RAA211650集積60V 5A同期降圧レギュレータを評価するために使用します。 レギュレータのスイッチング周波数は、200kHz~2.5MHzの間で調整できます。4.5V~60Vの広範な入力電圧範囲をサポートしており、出力電圧を調整できます。RAA211650は、28Ld QFNパッケージに収められています。この評価ボードは、4.5V~60VDCの電源電圧で動作し、5Aの連続負荷を供給する能力を備えています。
特徴
- スイッチでENを選択可能、または外部信号で駆動することも可能
- 内部補償および外部補償のオプション
- 内部および外部のRTオプション
- 内部および外部のソフトスタートオプション
- 周波数同期とスペクトラム拡散オプション
- 遅延時間を調整できるオプション
- EBIASをVOUTに接続するオプション、または外部電源で駆動するオプション
- 外付け帰還抵抗を使用して出力電圧をプログラミング可能
- 3.3VのVOUTに内部帰還抵抗を使用するオプション
- プロービングやデータ取得を容易に行えるコネクターとテストポイント
仕様
- 入力電圧範囲:4.5V~60V
- 出力電圧:3.3V
- 最大5Aの出力電流能力
- 内部設定スイッチング周波数:500kHz
- 内部補償
- 2msの内部ソフトスタート
- 2msのスタートアップ/シャットダウン遅延
- VOUTに接続されているEBIAS
- 動作温度範囲:-40°C~+125°C
関連のあるレギュレータ
200kHz~2.5MHzの間で調整できるスイッチング周波数が特徴です。
1つのピン配列でほとんどの産業用電源レールに対応するDC-DCレギュレータです。
関連のある開発ツール
RAA211x DC-DCスイッチング電圧レギュレータの評価および開発用に設計されています。
公開: 2021-09-01
| 更新済み: 2023-04-28