ROHM Semiconductor BD7693FJ力率補正コントローラは、4.9mm x 6.0mm SOP-J8パッケージで販売されており、動作°温度範囲は-40℃~+105℃です。
特徴
- 境界導通モードPFC
- 10V~38V入力電圧範囲
- 低THD回路集積
- 58mA 小動作電流
- VCC UVLO機能
- 補助巻線によるZCD
- VSピンによる静的OVP
- エラーアンプの入力ショート保護
- 安定したMOSFETゲートドライブ
- ソフトスタート機能
- -40°C~+105°C動作温度範囲
- 4.9mm x 6.0mm x 1.65mm SOP-J8パッケージ
アプリケーション
- 照明機器
- ACアダプタ
- 白物家電
標準アプリケーション回路
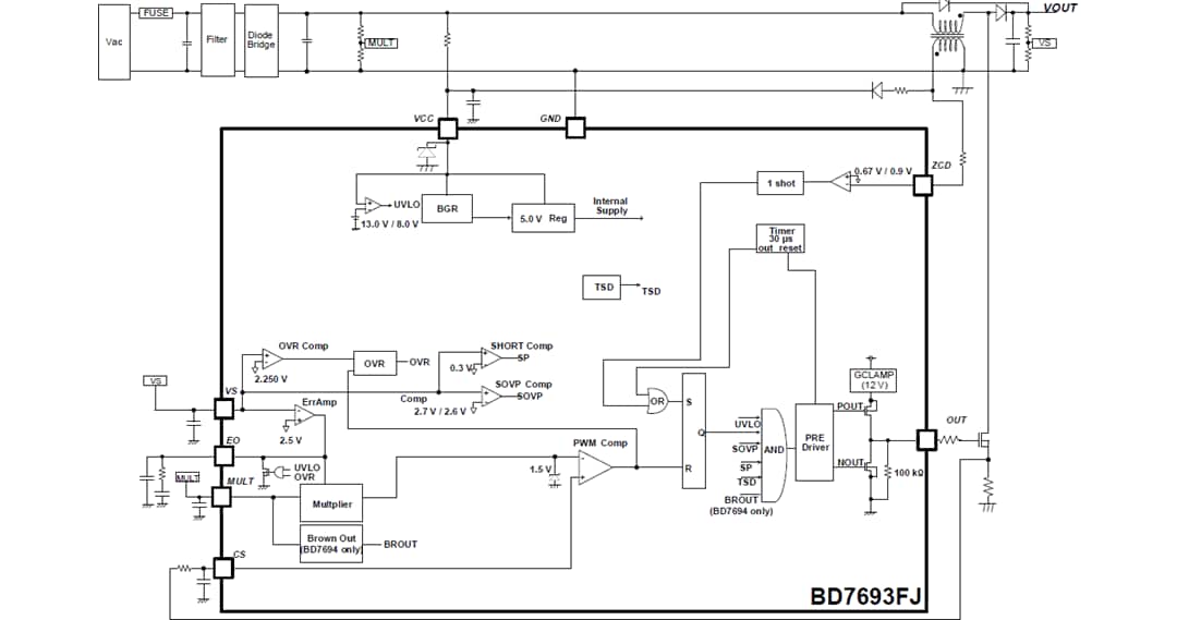
ブロック図
公開: 2021-08-05
| 更新済み: 2022-03-11
