ROHM Semiconductor BD7693FJ-EVK-001評価ボード
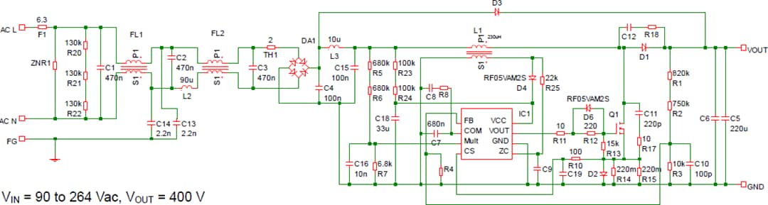
ROHM Semiconductor BD7693FJ-EVK-001評価ボードは、BD7693FJ力率補正コントローラを対象としたデモ用のプラットフォームです。BD7693FJは、境界導通モード(BCM)PFCコントローラで、最小限の外付け部品を使用したシンプルで高性能なアクティブ力率補正を実現しています。BD7693FJには、 ゼロ電流検出(ZCD)回路が採用されており、スイッチング損失とノイズを大幅に低減できます。また、このデバイスには、全高調波歪み(THD)を 低減する回路も組み込まれています。BD7693FJは、IEC 61000-3-2 Class C高調波規格に対応しており、照明アプリケーションに最適です。ROHM Semiconductor BD7693FJ-EVK-001評価ボードは、BD7693FJ PFCコントローラが特徴で、4.9mm x 6.0mm SOP-J8パッケージに収められています。また、BD7693FJに基づいたサンプルリファレンス回路もあり、90V~264VAC入力から400Vを出力できます。
特徴
- 90V to 264VAC input voltage range (VIN)
- 50/60Hz input frequency (fLINE)
- 376V~414V出力電圧、395V 標準(VOUT)
- 200Wの最大出力電力(POUT)
- 0A~0.5A出力電流範囲(IOUT)
- 標準3.6%全高調波歪み(THD)
- 230VACで0.97PF、IOUT=0.5A
- 96%効率性(η)
- 11Vpp出力リップル電圧(VR)
- 20msの最小保持時間(thold)
- -10°C~+65°C動作温度範囲(Topr)
- 200mm x 112mm PCB
必要な機器
- 90V~264VAC 電源、200Wまたはそれ以上
- 500V入力電圧をサポートしている0.5A電子負荷
- マルチメータ
- 電力メータ
ボードレイアウト
接続図
アプリケーション回路
公開: 2021-08-05
| 更新済み: 2022-03-11
