ROHM Semiconductor BD8381AEFV-MシングルチップLEDドライバ
ROHM BD8381AEFV-MシングルチップLEDドライバは、自動車のヘッドランプと昼間走行用ランプ(DRL)での使用を目的に特別に設計されています。 このデバイスは、LED駆動回路として機能するために必要な機能性の全範囲を搭載したシングルチップ設計が特徴です。 BD8381AEFV-Mは、内蔵発振器回路を組み込むことで、マイクロコントローラなしでパルス幅変調(PWM)を実現しています。 このLEDドライバには一連の保護機能も備わっており、LEDのショートやオープン状態といったヘッドランプの故障を検出できます。 これによって、高レベルの信頼性のための自動車市場のニーズをより良く満たすことができます。 50Vの絶対最大電圧によって、バッテリ電圧の変動に耐えられる十分な絶縁耐力が製品に付与されています。特徴
- Single-chip design eliminates the need for additional discrete components
- Integrated buck-boost current-mode DC/DC controller
- Built-in CR timer for PWM brightness
- Built-in protection functions (undervoltage lockout, overvoltage protection, overcurrent protection, short-circuit protection, thermal shutdown)
- LED error status detection function (OPEN/SHORT)
- 5.0V to 30V input supply voltage range
- -40°C to +125°C operating temperature range
- 9.7mm x 6.5mm x 1.0mm HTSSOP-B28 package
アプリケーション
- Automotive LED headlamps
- Daytime running lights
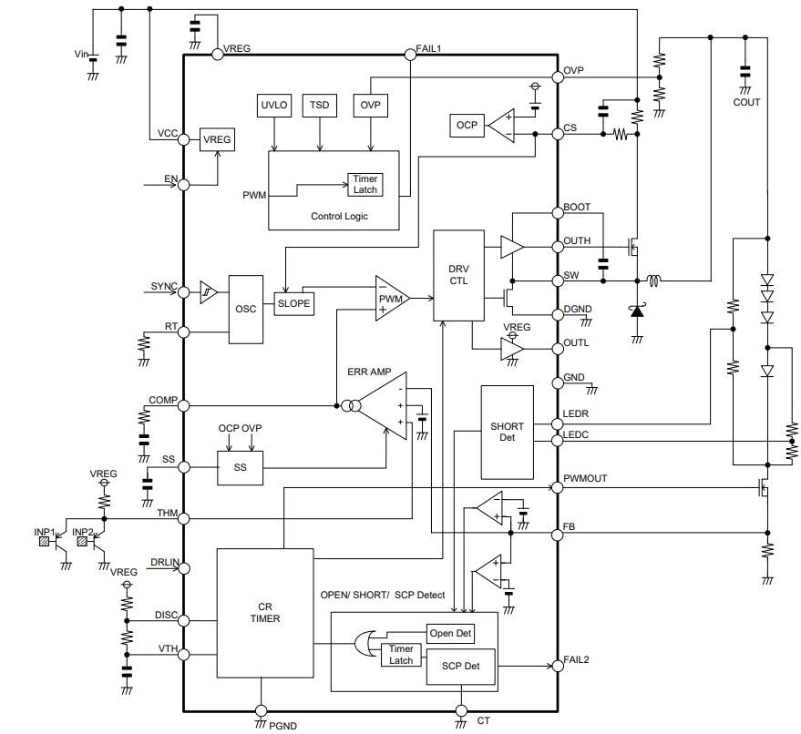
Block Diagram
公開: 2016-10-06
| 更新済み: 2022-03-11
