ROHM Semiconductor 大型LCDパネル用白色LEDドライバ
ROHM Semiconductor大型LCDパネル用白色LEDドライバパネルは、大きなLCDパネル用に設計された白色LED用の高効率ドライバです。BD9397EFV ICには、内蔵大電流 ドライブと高信頼性タイプ6チャンネルLEDドライバと1チャンネルブーストDC/DCコンバータがあります。白色LEDドライバICは、光源としてLEDのアレイを使用した昇圧型DC/DCコンバータ を内蔵しています。IC には、過電圧保護(OVP)、DCDC の過電流制限保護(OCP)、短絡保護(SCP)、LED ストリングのオープン検出など、障害状態に対する保護機能があります。これらのROHM SemiconductorのLEDドライバは、幅広い出力電圧範囲のフェイルセーフ 設計で利用できます。特徴
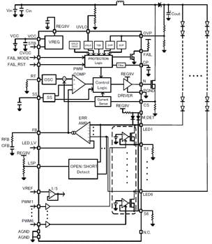
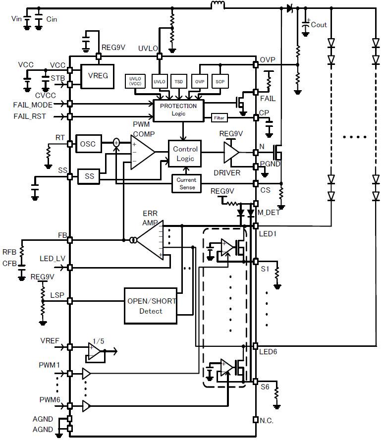
- BD9397EFV
- 6ch定数LEDドライバ、1chあたり400mAドライブ利用可能
- 定電流精度は±1.8%(ICのみ)
- 6chの各PWM入力で独立した調光制御が可能
- VREFによる電流アナログ(リニア)調光
- 電流モードを備えた1ch対応昇圧コントローラ(外付けFET)
- 複数の保護機能 OCP/OVP/UVLO/TSDLEDドライバ部とOPEN、SHORT検出を備えたDCDC部分
- 短い検出電圧はLSP端子によって設定されます
- エラー検出出力フェイル端子内部(通常=オープン、エラー= ドレイン)
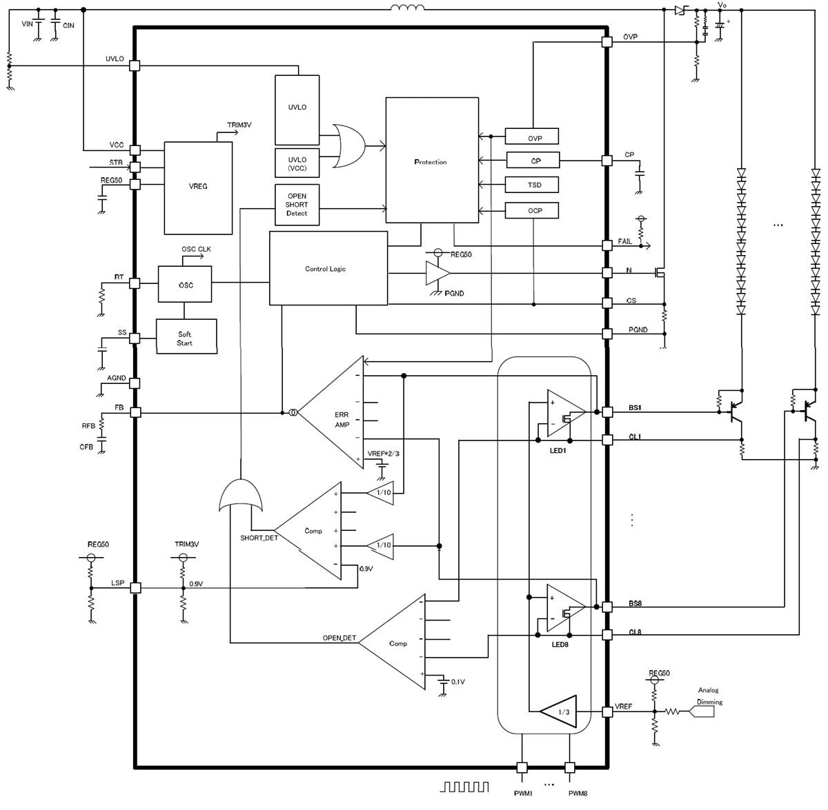
- BD9479FV
- 8ch LED対応定電流 ドライバ(外部PNP Trタイプ)
- 最大LED設定電流500mA(VREFピン設定)
- DC/DCコンバータ内蔵
- アナログ調光(リニア)機能
- 個別チャネルPWM調光機能
- LED保護機能(オープンショート保護)(PWM独立タイプ)
- 出力ショート保護(OVP)
- タイマ ラッチ 機能(CP)内蔵
- フェイル表示 機能内蔵
- OVP電圧フィードバック機能内蔵
- PWM独立ソフト起動 回路内蔵
- SSOP-B40 パッケージ
- 低電圧誤動作防止機能(UVLO)と過電圧保護 (OVP) を内蔵
- BD93941FP
- 4ch LEDの定電流ドライバとDC/DCコンバータ
- 200mA最大LED電流
- 0.37V(@ ADIM = 2.5V)LED フィードバック電圧
- LED電流設定に従って調整できるフィードバック電圧
- ±2% LED電流精度
- ADIMピンでのアナログ電流(リニア)調光
- 60V LEDピン定格
- オープンとショートの回路両方を対象とした個々の検出および個々のLED OFF
- ISETピン短絡保護回路内蔵
- 外部コンデンサによってソフトスタート時間を設定
- 5.8Vスイングによって駆動されるFETゲート
- シャットダウン用の内蔵Vout放電回路
- Vout過電圧保護(OVP)/減電圧保護(SCP)回路内蔵
- HTSSOP-B20およびHSOP20パッケージには、高熱放射線効率性が 備わっています。
アプリケーション
- テレビ
- コンピューターディスプレイ
- ノート
- バックライトLCD
View Results ( 7 ) Page
| 部品番号 | データシート | パッケージ/ケース | チャンネル数 |
|---|---|---|---|
| BD65D00MUV-E2 | ![]() |
VQFN-28 | 4 Channel |
| BD9479FV-GE2 | ![]() |
SSOP-40 | 8 Channel |
| BD65520MUV-E2 | ![]() |
VQFN-40 | |
| BD18364EFV-ME2 | ![]() |
HTSSOP-30 | 8 Channel |
| BD5291GWL-E2 | ![]() |
WLCSP-5 | 1 Channel |
| BD9397EFV-GE2 | ![]() |
HTSSOP-40 | 6 Channel |
| BD9422EFV-E2 | ![]() |
HTSSOP-B-40 | 6 Channel |
公開: 2015-12-10
| 更新済み: 2025-01-29

