ROHM Semiconductor RB-D610Q327TB48リファレンスボード
ROHM Semiconductor RB-D610Q327TB48 Reference Boardは、LAPIS ML610Q327 8bitマイクロコントローラの動作を試すために設計された開発プラットフォームです。エンベデッドアプリケーションの評価やプロトタイプ製作を行える包括的で汎用性の高いツールです。本ボードは、LED、プッシュボタン、コネクタなど多様な周辺機能を内蔵し、テストや開発を簡易化します。シリアルデータ送信向けにUARTを介した通信もサポートしており、外部機器とのシームレスな統合も可能です。ROHM Semiconductor RB-D610Q327TB48ボードは、複数の電源オプション、プログラム可能/デバッグ可能なインターフェイスなど、柔軟性に重点をおいて設計されています。これにより、ソフトウェアの開発と問題解決を簡単に行えます。本リファレンスボードはML610Q327の低祖父日電力特性を活用しており、IoT機器、民生機器、産業制御システムなどのエネルギー効率に優れたアプリケーションに最適です。小型の設計と堅牢な機能を実現しているため、迅速なプロトタイプ製作や効率的な製品開発に役立つツールです。
特徴
- LAPIS ML610Q327 8bit MCU向け
- EASE1000 V2 オンチップデバッグツールやソフトウェア開発環境(DUT8やMWU16)を組み合わせることにより、以下のことを行えます:
- MCUやソフトウェアの開発・デバッグ
- 内蔵Flash ROMへのプログラム・音声コードデータの書込み
- MCUによる音声コードデータの再生
- 柔軟性の高いI/Oインターフェイス
- オンボード周辺機器
- UART通信ポート
- 柔軟性の高い電源オプション
- インターフェイスのプログラムとデバッグ
- 低消費電力の動作
- 動作電源電圧範囲 2V~5.5V
- 寸法 93.98mm x 55.88mm x 18mm (WxDxH)
アプリケーション
- 家電製品
- モノのインターネット(IoT)デバイス
- 車載用電子機器
- 産業オートメーション
- 玩具と教育製品
- セキュリティシステム
- ウェアラブル
概要
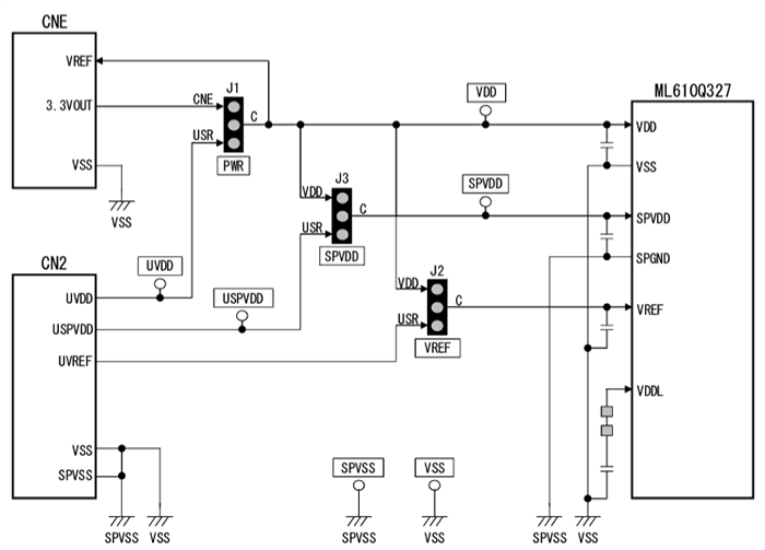
電源回路
PCBレイアウト
公開: 2024-12-20
| 更新済み: 2024-12-27
