ROHM Semiconductor RB-D610Q338TB52リファレンスボード
ROHM Semiconductor RB-D610Q338TB52 リファレンスボードは、LAPIS ML610Q338 8ビット マイクロコントローラをベースとした組込みシステムの評価とプロトタイピングを容易にするために設計された開発プラットフォームです。このリファレンスボードは、LED、ボタン、コネクタなどのオンボードペリフェラルを含む堅牢な機能を開発者に提供し、外付け部品のテストと統合を簡素化します。複数のI/Oインターフェイスをサポートし、センサ、アクチュエータ、その他のデバイスとのシームレスなインタラクションを可能にするとともに、シリアルデータ交換用のUART通信を提供します。ROHM Semiconductor RB-D610Q338TB52ボードは、柔軟な電源オプションによりさまざまな外付け部品との互換性を確保し、ICSP(インサーキット・シリアル・プログラミング)インターフェイスにより、プログラミングとデバッグを容易に行うことができます。低消費電力に最適化されたRB-D610Q338TB52は、IoTデバイスやポータブル製品などのエネルギー効率の高いアプリケーションに最適です。コンパクトな設計と開発およびデバッグのための包括的なサポートを備えたこのリファレンスボードは、LAPIS ML610Q338 MCUを扱う開発者にとって貴重なツールです。
特徴
- LAPIS ML610Q338 8ビット MCUと一緒に使用
- オンチップデバッグツール(EASE1000 V2)およびソフトウェア開発環境(DUT8およびMWU16)と組み合わせて、以下のことが可能:
- MCU制御ソフトウェアの開発とデバッグ
- MCU内蔵Flash-ROMへの制御およびサウンドコードデータのプログラミング
- MCUによる音声再生
- 柔軟なI/Oインターフェイス
- オンボードペリフェラル
- UART通信ポート
- 柔軟性の高い電源オプション
- プログラミングとデバッグのインターフェイス
- 低消費電力動作
- 動作電源電圧範囲 2V~5.5V
- サイズ:93.98mm x 55.88mm x 18mm(WxDxH)
アプリケーション
- 家電製品
- モノのインターネット(IoT)デバイス
- 車載用電子機器
- 産業用オートメーション
- 玩具・教育用品
- セキュリティシステム
- ウェアラブル
概要
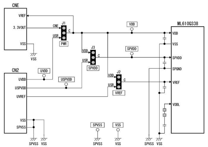
電源回路
PCBレイアウト
公開: 2024-12-20
| 更新済み: 2024-12-27
