ROHM Semiconductor RB-D610Q339TB64リファレンスボード
ROHM Semiconductor RB-D610Q339TB64 Reference Boardは、8bit音声再生マイクロコントローラML610Q339を使用してアプリケーションの開発やテストを容易に行えるように設計されています。本リファレンスボードは、専用の音声合成機能付きML610Q339 MCUを搭載しているため、音声ベースのシステムに最適です。本ボードは、DACとオーディオドライバ内蔵により音声再生に対応しているため、外部スピーカへの簡単なアナログ出力が可能です。また、音声データを保存するためのROM内蔵、外部フラッシュメモリを介してストレージを拡張するオプションもあります。ROHM Semiconductor RB-D610Q339TB64ボードは特に低電力消費が特長で、音声機能付き玩具、アラーム、通知(通報)システムなどの電池駆動アプリケーションに最適です。外形寸法が小さく容易な統合が可能であるため、迅速なプロトタイプ製作に最適なプラットフォームです。また、設計プロセスの期間短縮を実現できるサンプルコードやハードウェア回路図などの開発ツールも付属しています。
特徴
- ML610Q339 8bit音声再生MCU
- エンベデッドシステム向けの音声合成、サウンドエフェクト、オーディオ出力用に設計済
- オンボードオーディオ再生
- 柔軟性の高いオーディオストレージ
- 低電力消費
- オーディオドライバ内蔵
- スイッチ、ボタン、LEDといった一連のI/Oインターフェイスを搭載しており、音声ベースのアプリケーションでユーザーとのやりとりやフィードバックが可能
- 統合が容易
- 小型サイズの外形寸法、93.98mm x 55.88mm
- 動作電源電圧範囲:2V~5.5V
- EASE1000 V2 オンチップデバッグツールやソフトウェア開発環境(DUT8やMWU16)を組み合わせることにより、以下のことを行えます:
- MCUやソフトウェアの開発・デバッグ
- 内蔵Flash ROMへのプログラム・音声コードデータの書込み
- MCUによる音声コードデータの再生
アプリケーション
- 家電製品
- モノのインターネット(IoT)デバイス
- 車載用電子機器
- 産業オートメーション
- 玩具と教育製品
- セキュリティシステム
- ウェアラブル
概要
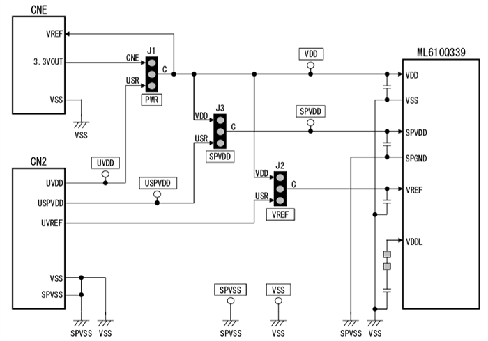
電源回路
PCBレイアウト
公開: 2024-12-23
| 更新済み: 2024-12-30
