ROHM Semiconductor RB-D62Q2035TD20リファレンスボード
ROHM Semiconductor RB-D62Q2035TD20 リファレンスボードは、LAPIS ML62Q2035 16ビット マイクロコントローラを搭載しており、開発・評価用の信頼性の高いプラットフォームを提供します。このマイクロコントローラは低消費電力で高性能に設計されており、多くの組み込みアプリケーションに最適です。このリファレンスボードは、ADC、UART、SPI、I2C、GPIOなど必要不可欠なペリフェラルを統合しており、さまざまなインターフェイスのニーズに柔軟に対応します。このボードのコンパクトな設計とデバッグ機能は、プロトタイピングと開発プロセスを簡素化します。同時に、エネルギー効率に優れた動作をサポートするため、バッテリ駆動機器やモノのインターネット(IoT)機器に適しています。包括的なドキュメントとソフトウェアリソースを備えたRB-D62Q2035TD20ボードは、家電、産業用オートメーション、スマートホームソリューションなどに取り組むエンジニアや開発者にとって優れた選択肢です。RB-D62Q2035TD20は、ML62Q2035 MCUの使用方法を学ぶために使用することができます。この場合、ユーザーは必要に応じて追加の外付け部品を用意する必要があります。RB-D62Q2035TD20をEASE1000 V2 オンチップエミュレータおよびソフトウェア開発環境と一緒に使用することで、ソフトウェアを開発し、フラッシュをデバッグ/プログラムすることができます。また、RB-D62Q2035TD20 リファレンスボードに外部電源を接続することで、EASE1000 V2を接続することなく単独で使用することができます。
特徴
- LAPIS ML62Q2035 16ビットマイクロコントローラ搭載、20ピン TSSOPで提供
- EASE1000 V2 に接続されたコネクタを装備
- LSIのピンと外部周辺ボードを接続するためのスルーホール
- 電源の選択が可能:オンチップエミュレータEASE1000 V2またはCN1:6 ピン
- 発電用チャージポンプ搭載
- LEDを搭載(P05)
- 逐次比較型A/Dコンバータ用の部品を搭載したフットパターンを用意(P14、P15、P16、P17)
- 低電力消費
- ADC、UART、SPI、I2C、GPIOを内蔵
- デバッグとプログラミングインターフェイス
- 柔軟な電源オプション
- 電源電圧範囲:4.5V〜5.5V
- サイズ:56mm x 94mm x 15mm(WxDxH)
アプリケーション
- 産業用オートメーション
- IoTデバイス
- 家電製品
- バッテリ駆動システム
- スマート ホーム アプリケーション
- 測定とセンシング
- 教育および開発プロジェクト
概要
電源回路
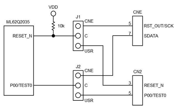
EASE1000 V2インターフェイス
PCBレイアウト
公開: 2025-01-10
| 更新済み: 2025-08-19
