VNHD7008AYは、PowerSSO-36露出パッド・パッケージに格納されており、消費性能を最適化できます。入力信号INAおよびINBは、マイクロコントローラと直接インターフェイス接続し、モータの方向とブレーキ状態を選択できます。2本の選択ピン (SEL0、SEL1) を利用して、MultiSenseで利用できる情報のマイクロコントローラに対処できます。MultiSenseピンを使用すると、モータ電流の監視、およびバッテリの値とチップの温度に関する情報に比例した電圧を実現できるようになります。
特徴
- VNHD7008AY専用のシンプルなシングルICアプリケーション・ボード
- 簡単なプロトタイピングを目的とした電気的接続とサーマルヒートシンクを実現
- ボードの寸法: 45mm x 65mm
- RoHS準拠
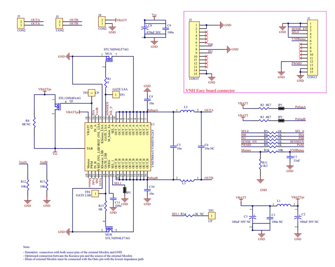
回路図
公開: 2018-12-10
| 更新済み: 2023-02-27

