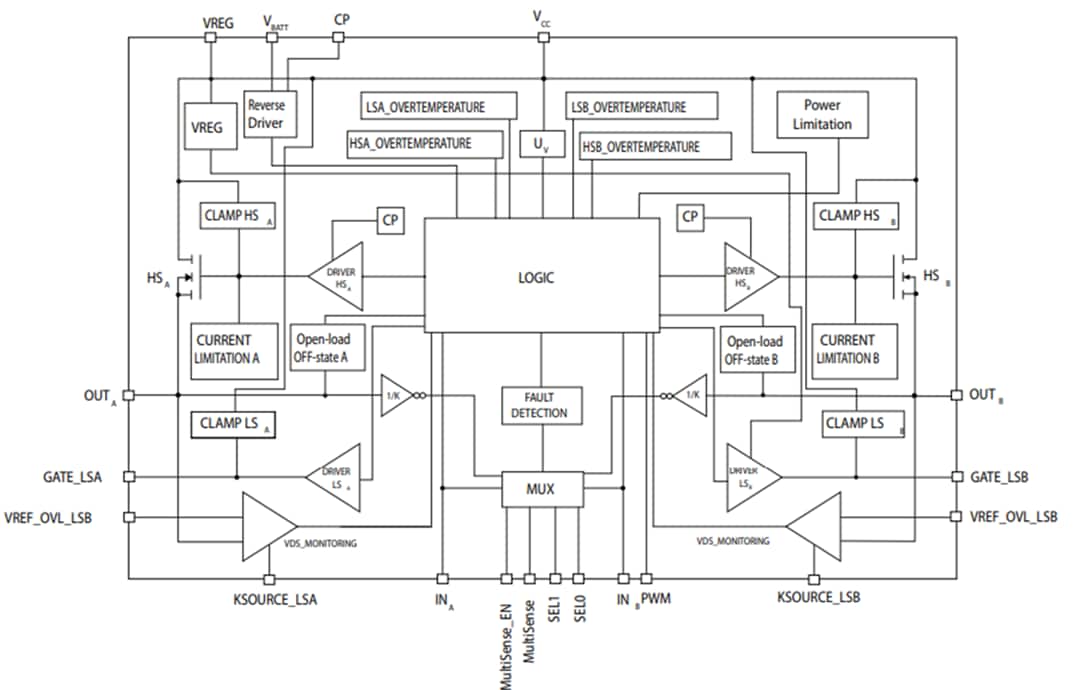
VNHD7008AYモータ・ドライバは、VIPower® M0技術が特徴で、このデバイスをインテリジェント信号/保護回路が備わっている同じダイの真のPowerMOSFET上に効率的に統合できます。VNHD7008Aは、PowerSSO-36露出パッド・パッケージに格納されており、消費性能を最適化できます。
入力信号INAおよびINBは、マイクロコントローラと直接インターフェイス接続し、モータの方向とブレーキ状態を選択できます。2本の選択ピン (SEL0、SEL1) を利用して、MultiSenseで利用できる情報のマイクロコントローラに対処できます。MultiSenseピンを使用すると、モータ電流の監視、およびバッテリの値とチップの温度に関する情報に比例した電圧を実現できるようになります。この統合保護は、負荷電流制限、過負荷アクティブ電力制限(ラッチオフあり)、過熱シャットダウン(ラッチオフあり)、クロス電流保護です。
特徴
- AEC-Q100認定
- 出力電流(IOUT): 51A
- デュアル完全保護HSD(マルチセンス・フィードバック機能搭載)
- 外部LSD用の2つの統合ドライバ
- 3V CMOS互換入力
- 保護:
- 低電圧シャットダウン
- 過電圧クランプ
- サーマルシャットダウン
- 負荷電流制限
- 高速熱過渡の自己制限(電力制限)
- クロス電流保護
- シュートスルー保護
- 接地損失およびVCC損失
- 静電放電保護
- 外付け抵抗(短絡対バッテリ保護)によって構成できる外部パワーMOSFETのドレインとソース電圧監視
- RDS(ON) 8mΩ typical/チャンネル
- 外付けLSDを対象とした最大20kHzのPWM動作
- MultiSense監視機能アナログ・モータ電流フィードバック
- チップ温度モニタリング
- バッテリ電圧モニタリング
- マルチセンス診断機能
- 接地検出のための出力ショート
- サーマルシャットダウン表示
- オフ状態オープン負荷検出
- VCC検出ショート出力
- スタンバイモード
- ハーフ・ブリッジ動作
- 逆バッテリ保護を目的とした充電ポンプ出力
- 接合部動作温度: -40°C~+150°C
- ストレージ温度: -55°C~+150°C
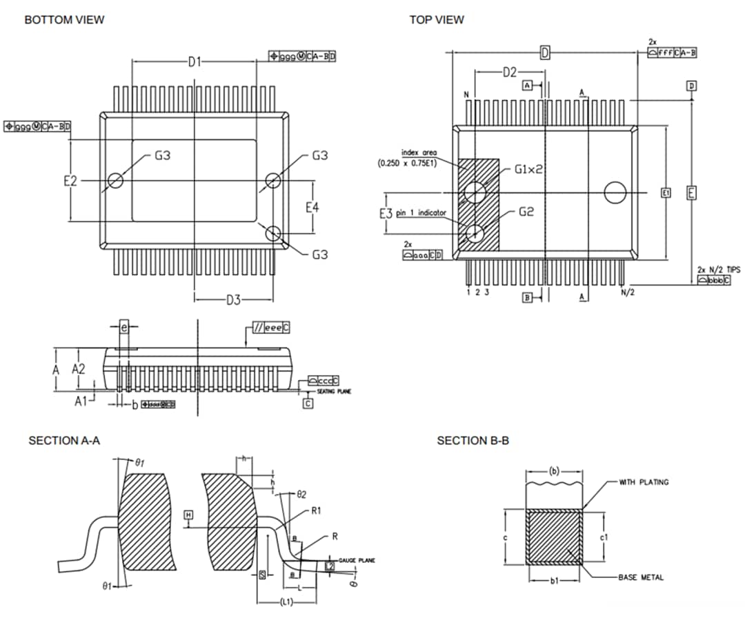
- ECOPACK ® PowerSSO-36パッケージ
アプリケーション
- パワー・ウィンドウ
- シート位置
- サン・シェード
- パワー・リフト・ゲート
ビデオ
ブロック図
パッケージ外形図
公開: 2018-12-10
| 更新済み: 2023-02-27

