STMicroelectronics IPS1025H, IPS1025H-32、およびIPS1025HF スイッチIC
STMicroelectronics IPS1025H、IPS1025H-32、IPS1025HFスイッチICは、静電容量性、抵抗性、または誘導性負荷を駆動するシングルハイサイドスイッチICで、片側がアース接続されています。これらのスイッチICは、非常に低いRDS-ON(TJ = 125°C までで≤25mΩ)を備えており、最大2.4A/5.6Aの定常状態動作電流を必要とするアプリケーションに適しています。IPS1025H、IPS1025H-32、IPS1025HFスイッチICは、ケース過温度保護、グラウンド切断保護、VCC 過電圧保護、および低電圧ロックアウト機能を備えています。これらのスイッチICは、静電容量負荷のスマート駆動のために、2つの異なるアクティベーション閾値および制限レベル(IPKH 、ILIMH、IPKL 、I LIML)を提供します。IPS1025H、IPS1025H-32、IPS1025HFスイッチICは、プログラム可能なロジック制御、自動販売機、数値制御機、産業用PC周辺機器入力/出力アプリケーションで使用されます。特徴
- 動作電源電圧範囲 8V~60V
- 容量性負荷のスマート駆動
- 低電圧ロックアウト
- VCC 過電圧保護
- 過熱イベント診断ピン
- 誘導負荷の高速消磁
- 過負荷および温度過昇保護
- 温度過昇保護ケース
- 過負荷イベント診断ピン
- 接地切断保護
- IEC 61000-4-2、IEC 61000-4-4、IEC 61000-4-5に適合するように設計
- パッケージpowerSSO-24
アプリケーション
- プログラマブルロジック制御
- 工業用PC周辺装置の入力/出力
- 数値制御マシン
- 一般的なハイサイド・スイッチ
- 自動販売機
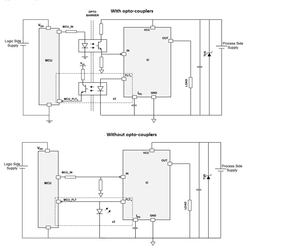
ブロック図
標準的なアプリケーション図
公開: 2022-04-19
| 更新済み: 2025-04-07
