The STM STEVAL-IFP040V1は、STM32 Nucleoに搭載されたマイクロコントローラと(GPIOピンで駆動する5kVフォトカプラを介して)、Arduino UNO R3コネクタとのインターフェイス接続が可能です。この拡張ボードを使用すると、NUCLEO-F401REまたはNUCLEOG431RB開発ボードのどちらかに接続できます。ユーザーは、STEVAL-IFP040V1拡張ボードにSTEVAL-IFP045V1をスタックしてシステムを評価することもできます。
主電源レールからのSTEVAL-IFP045Vの供給、およびSTEVAL-IFP045V1の出力からのSTEVALIFP040V1の供給により、安全システムのためのシングルチャネル・デジタル出力の標準アーキテクチャを達成できます。2つの拡張ボードのプロセス段は、カスケード接続されたシステムをもたらします。両方のカスケードシステムが適切に機能する場合のみ、STEVALIFP040V1生産に接続された負荷を供給できます。
特徴
- IPSIPS1025HFシングルハイサイドスイッチに基づく。特徴:
- 最高60Vまでの動作範囲
- 電力散逸が小さい(RON(MAX) = 25mΩ)
- 起動時の伝播遅延 < 60µs
- 誘導負荷のための高速減衰
- 容量性負荷のスマート駆動
- 低電圧ロックアウト
- 過負荷保護、温度過昇保護
- QFN48L 8mm x 6mmパッケージ
- 8V~33V/0A~2.5Aのアプリケーション基板動作範囲
- 最高で60Vまでの拡張電圧動作範囲(J3オープン)
- 出力オン/オフ状態を示す緑色LED(J11 close 3-4、SW5 close 1-2)
- 過負荷および過熱診断用の赤色LED(SW2、SW4 close 2-3)
- 出力電圧のオン/オフ状態のフィードバック(J11 close 1-2)
- 出力電圧の高速放電用の制御信号(J11 close 5-6, J12 close)
- 大きな誘導負荷を実現する外部高速放電回路(J11 close 7-8)
- 5kVガルバニック絶縁
- 供給レール逆極性保護
- STM32 Nucleo開発ボードとの互換性あり
- Arduino® UNO R3コネクタ搭載
- CE認証済
- RoHSおよび中国RoHS準拠
- FCCの再販は非承認
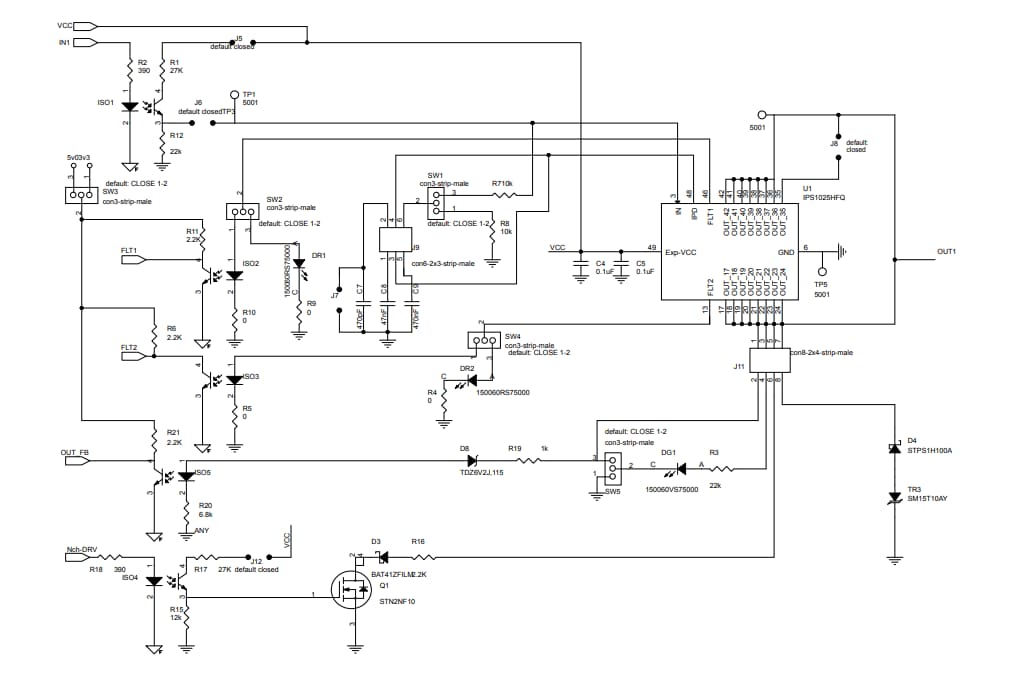
回路図
公開: 2022-09-25
| 更新済み: 2022-10-04

