STMicroelectronics LSM330/D iNEMO 3D加速度センサーおよび3Dジャイロスコープ
STマイクロエレクトロニクスのLSM330/D iNEMO 3D加速度センサーおよび3Dジャイロスコープは、3Dデジタル加速度センサーと3Dデジタル ジャイロスコープを搭載したシステムインパッケージです。STのMEMSセンサー モジュールのファミリは、マイクロマシニングによる加速度センサーとジャイロスコープの製造にすでに使われている、確実かつ成熟した製造プロセスを利用しています。さまざまな検出素子が特別なマイクロマシニング プロセスを使用して製造されている一方、ICインターフェイスは専用回路の設計を可能にするCMOS技術を使用して開発されています。専用回路は、検出素子との整合性を高めるためにトリムされます。LSM330/Dでは、±2g/±4g/±8g/±16gまたは±2/±4/±6/±8/±16gのフル スケールの加速度範囲、および±250/±500/±2000dpsの角速度をユーザーが選択できます。加速度センサーとジャイロスコープ センサーは、省電力のために最適化されたアプリケーションにおいて、アクティブにしたり個別に低消費電力/パワーダウン モードにしたりすることができます。The various sensing elements are manufactured using specialized micromachining processes, while the IC interfaces are developed using a CMOS technology that allows the design of a dedicated circuit which is trimmed to better match the sensing element characteristics.
The LSM330 has user-selectable full-scale acceleration range of ±2/±4/±6/±8/±16g and angular rate of ±125/±250/±500/±1000/±2000dps. The accelerometer and gyroscope sensors can be either activated or separately put in Low power/Power-down mode for applications optimized for power saving.
特徴
- 2.4V to 3.6V analog supply voltage
- 1.8V digital supply voltage IOs
- Low power mode
- Power-down mode
- Sleep mode
- 2 embedded programmable state machines
- 3 independent acceleration channels and 3 angular rate channels
- ±2/±4/±6/±8/±16g selectable full scale
- ±250/±500/±2000 dps selectable full scale
- SPI/I2C serial interface (16-bit data output)
- Programmable interrupt generator for free-fall and motion detection
- Embedded temperature sensor
- Embedded FIFO
- ECOPACK® RoHS and "Green" compliant
アプリケーション
- GPS navigation systems
- Impact recognition and logging
- Gaming and virtual reality input devices
- Motion activated functions
- Intelligent power saving for handheld devices
- Vibration monitoring and compensation
- Free-fall detection
- 6D orientation detection
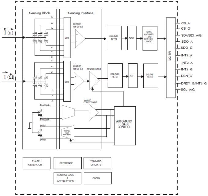
Block Diagram
公開: 2014-03-13
| 更新済み: 2024-02-16
