STMicroelectronics STEVAL-MKI182V2アダプタ・ボード
STMicroelectronics STEVAL-MKI182V2アダプタ・ボードは、ISM330DLC製品ファミリでMEMSデバイスを評価するように設計されています。完全なピンISM330DLC配列となっており、必要なデカップリングコンデンサをVDD電源ラインですぐに使用できるようになっています。STEVAL-MKI182V2アダプタ・ボードは、標準のDIL 24ソケットに直接差し込むことができます。また、高速システムとデバイス評価に効果的なソリューションです。このアダプタは、センサとPCの間のブリッジとして機能する高性能32ビット・マイクロコントローラが搭載されているSTEVAL-MKI109V2およびSTEVAL-MKI109V3マザーボードとの完全互換性があります。特徴
- ISM330DLC製品ファミリでのMEMSデバイスの評価を促進
- DIL 24標準ソケット用の完全なISM330DLC
- STEVAL-MKI109V3マザーボードに完全に互換
- レジスタ設定の変更は、STEVAL-MKI109V2マザーボードとの互換性もあり
- RoHS準拠
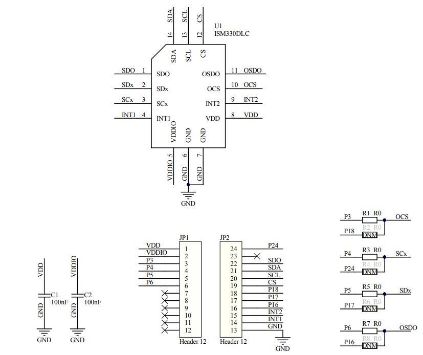
回路図
公開: 2018-10-09
| 更新済み: 2023-02-21
