STMicroelectronics STEVAL-1PS01DJR評価ボード
STMicroelectronics STEVAL-1PS01DJR評価ボードは、ST1PS01DJR 400mA nano自己消費同期降圧型コンバータ用の開発ツールです。コンバータは、最大400mAの出力電流を実現しており、1.8V~5.5Vの入力電圧範囲を備えています。このボードは、高い効率性とプリント回路基板ならびにサイズと厚さが要因となるアプリケーションを対象に設計されています。ST1PS01は、2.2µHインダクタと2つの小型コンデンサによる拡張ピーク電流制御(PCC)を使用して効率性の高い変換を達成できます。高度設計回路によって、零入力電流が最小限に抑えらえています。特徴
- 入力動作範囲: 1.8V~5.5V
- 出力電流機能: 最大400mA
- L=2.2µH(typ)外付け部品
- 選択可能出力電圧: 1.8V~2.8V
- 動的出力電圧選択(D0、D1)
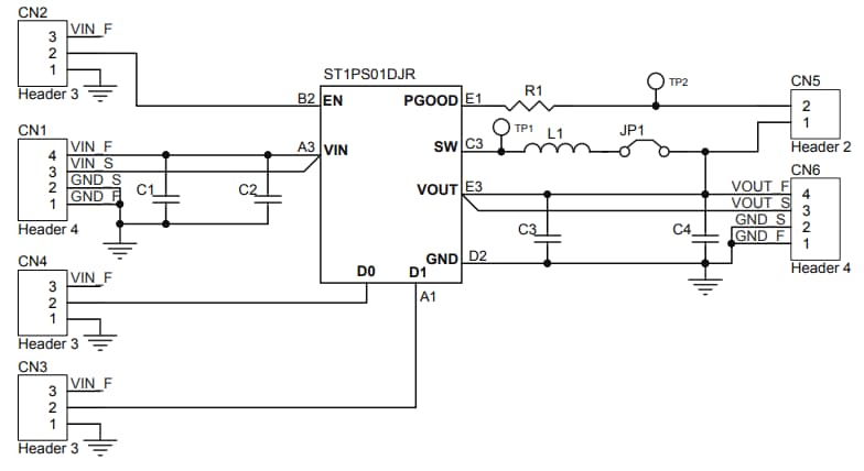
回路図
公開: 2019-05-30
| 更新済み: 2024-03-01
