STMicroelectronics STEVAL-ISA189V1評価ボード
STMicroelectronics STEVAL-ISA189V1評価ボードは、最大1.5Aの給電が可能で、コールドクランクイベントに耐えて広い動作電圧範囲があるA6986F5Vに基づいています。STEVAL-ISA189V1はAEC Q100認定で、バッテリ駆動の車載用システムに最適の選択です。同期整流によって、全負荷がかかった場合、より高い効率を実現し、アプリケーションを小型化しました。高周波数スイッチング(2MHzまでプログラミング可能)で、AM帯域外を維持しながら、電力受動部品のサイズとコストの削減に役立ちます。特徴
- AEC-Q100認定
- 1.5A DC出力電流
- 4Vから38Vの動作入力電圧
- 低消費量モードまたは低ノイズモード
- プログラマブルISKIP電流
- 軽負荷(LCM VIN = 12V)での45μA IQ
- 8μA IQ-SHTDWN
- 調節可能なfSW(250kHz - 2MHz)
- 5Vの固定出力電圧VOUT
- 組み込み出力電圧監視機能
- 同期化
- 調節可能ソフトスタートタイミング
- 内部電流制限
- 過電圧保護
- 出力電圧シークエンシング
- ピーク電流モードアーキテクチャ
- 180mΩ RDS(on)HSおよび150mΩ RDS(on)LS
- サーマルシャットダウン
- RoHS準拠
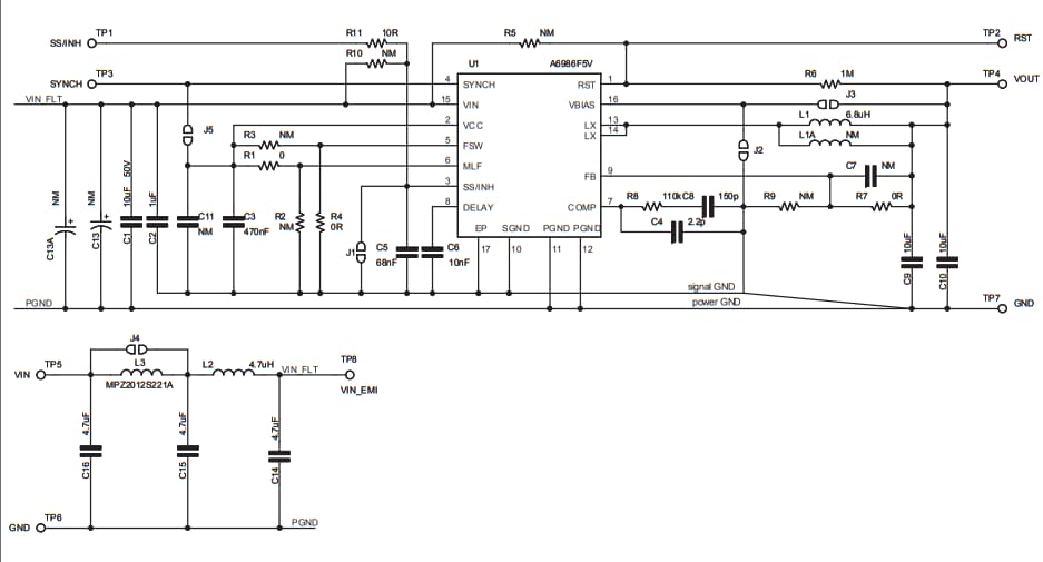
STEVAL-ISA189V1の概略図
公開: 2016-05-20
| 更新済み: 2022-03-11
