STMicroelectronics STEVAL-VP318L2Fコンバータのリファレンス設計
STMicroelectronics STEVAL-VP318L2Fコンバータのリファレンス設計には、汎用アプリケーション向けに開発された一次側安定化(PSR)での15Vおよび18W絶縁フライバックコンバータが実装されており、90~265VACで動作します。リファレンス設計は、STMicroelectronics VIPerPlusファミリに属するVIPER318LDTRオフライン高電圧コンバータを中心に構築されています。また、800Vアバランシェ堅牢パワーMOSFET、PWM電流モード制御、電磁妨害規格に適合するためのジッタリングをともなう固定60kHzスイッチング周波数、軽負荷管理のためのバーストモードが特徴です。評価ボードの主な特徴には、小型サイズ、最小限のBOM、高効率とタイトなライン、入出力範囲全域での負荷安定化があります。介入閾値を別にセットできる入力過電圧および低電圧保護は、OVPならびにUVPピンで実現できます。特徴
- 90~265VACユニバーサル入力主電源範囲
- 50-60Hz周波数
- 出力電圧: 15V
- 1.2A出力電流
- > 83%平均効率
- 入力および出力範囲全体でのタイトなラインおよび負荷安定化
- 周波数ジッタ機能のおかげで、EMIフィルタが削減されていてもIEC55022 Class B伝導EMIに適合
- RoHS準拠
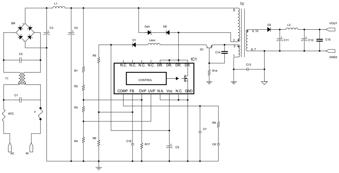
回路図
公開: 2021-07-28
| 更新済み: 2022-03-11
