STMicroelectronics STEVAL-A6983CV1は、ピーク電流モード・アーキテクチャに基づき、内部補正を備えたQFN16 (3mm x 3mm) パッケージで提供されるため、設計の簡略化と小型化に貢献します。STEVAL-A6983CV1では、EMCを改善するためにオプションのスペクトル拡散を使用して、200kHz~2.3MHzの範囲でスイッチング周波数を選択できます。ENピンにより、イネーブルとディスエーブルの切り替えが可能です。ディスエーブル時のシャットダウン電流は2µA(Typ.値)です。ENピンをプルアップするとデバイスがただちにイネーブルになり、1.3msの内部ソフトスタートが実行されます。
STEVAL-A6983CV1は、FB電圧をモニタするPG(パワー・グッド)オープン・コレクタを搭載しています。どちらの電源要素でもパルス単位で電流をセンシングするため、効果的な定電流保護が可能です。また、サーマル・シャットダウン機能を搭載し、温度上昇による損傷を防止しています。
特徴
- AECQ100 Grade 1準拠
- 動作温度範囲:-40°C~+150°C(Tj)
- 動作入力電圧:3.5V~38V
- 出力電圧:0.85V~VIN
- DC出力電流 3A
- 25μA 動作時静止電流
- 内部補償ネットワーク
- 低負荷で高効率を実現
- シャットダウン電流: 2μA
- ソフトスタート内蔵
- 高電圧VIN 互換有効化
- 出力過電圧保護
- 出力電圧シークエンシング
- 熱保護
- 200kHz~2.2MHzの範囲でプログラム可能なスイッチング周波数、22µF(min.値)低ESRコンデンサによる安定動作
- EMCを改善するオプションのスペクトル拡散
- パワー・グッド
- QFN16 (3mm x 3mm) パッケージ
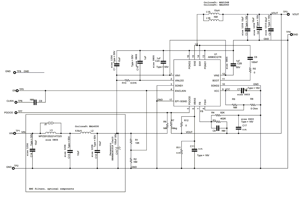
スキーム図
公開: 2024-03-20
| 更新済み: 2024-04-04

