STMicroelectronics STEVAL-A6983NV1には、ピーク電流モード・アーキテクチャに基づき、内部補正を備えたQFN16 (3mm x 3mm) パッケージで提供されます。このパッケージによって、設計の簡略化と小型化に貢献します。STEVAL-A6983NV1は、出力電圧のリップルを制御することにより、低負荷で最大限の効率を発揮するため、駐車中にアクティブなアプリケーション(バッテリ駆動アプリケーション)に適しています。
STEVAL-A6983NV1では、EMCを改善するためにオプションのスペクトル拡散を使用して、200kHz~2.3MHzの範囲でスイッチング周波数を選択できます。ENピンにより、イネーブルとディスエーブル機能の切り替えが可能です。ディスエーブル時のシャットダウン電流は2µA(Typ.値)です。ENピンをプルアップするとSTEVAL-A6983NV1がただちにイネーブルになり、1.3msの内部ソフトスタートが実行されます。STEVAL-A6983NV1は、FB電圧をモニタするPG(パワー・グッド)オープン・コレクタを搭載しています。どちらの電源要素でもパルス単位で電流をセンシングするため、効果的な定電流保護が可能です。また、サーマル・シャットダウン機能を搭載し、温度上昇による損傷を防止しています。
特徴
- AEC-Q100 Grade 1準拠
- 動作温度範囲:-40°C~+150°C(Tj)
- 動作入力電圧:3.5V~38V
- 出力電圧:0.85V~VIN
- 3.3V/5Vの固定出力電圧バージョン
- DC出力電流 3A
- 内部補償ネットワーク
- ノイズに影響を受けやすいアプリケーション
- シャットダウン電流: 2μA
- ソフトスタート内蔵
- 高電圧VIN 互換有効化
- 出力過電圧保護
- 出力電圧シークエンシング
- 熱保護
- 0.2MHz~2.2MHzの範囲でプログラム可能なスイッチング周波数
- 22µF(min.値)低ESRコンデンサによる安定動作
- EMCを改善するオプションのスペクトル拡散
- パワー・グッド
- 外部クロックとの同期
- QFN16 (3mm x 3mm) パッケージ
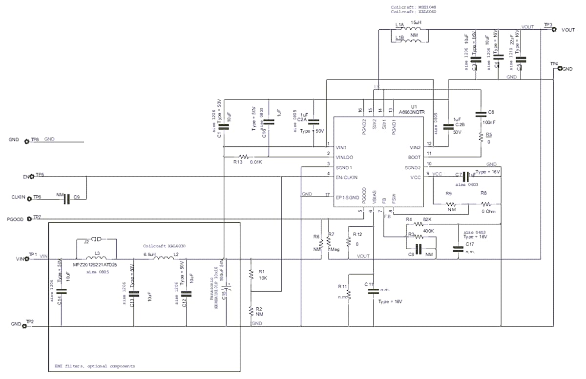
スキーム図
公開: 2024-03-20
| 更新済み: 2024-04-04

