バッテリは、プリチャージ、定電流、定電圧の3段階による標準リチウムイオンまたはLiFePO4充電プロファイルを使用して充電されます。熱安定化により、機器の温度を管理しながら最大チャージ電流を実現します。チャージャーは、3Vの最低入力電圧動作でバッテリ対バッテリのチャージに合わせて最適化もされており、25Vの絶対最大ライン過渡に対する耐性があります。Texas Instruments bq25180は、単一のプッシュボタン入力とリセット回路を集積しており、全体的なソリューションのフットプリントを削減できます。
特徴
- 1A電力経路リニアバッテリチャージャー
- バッテリチャージとUSBアダプタ向けに最適化された3.0V~5.9Vの入力電圧動作範囲
- 25Vの許容入力電圧
- 10mVステップにおいて3.6V~4.65Vの間でバッテリ安定化電圧を0.5%精度で設定可能
- 高速チャージ電流を5mA~1Aの間で調整可能
- 55mΩのバッテリFET ON抵抗
- 高システム負荷をサポートする最大2.5Aまでの放電電流
- 最小0.5mAまで終止電流を設定可能
- JEITAサポートなどNTCチャージプロファイル閾値を設定可能
- システムを回復するための電源サイクルと高度リセット機構
- システムに電力を供給してバッテリを充電するためのパワーパス管理
- バッテリ電圧追跡と入力パススルーオプションに加えて、安定化が加貼られたシステム電圧(SYS)4.4V~4.9V
- 入力電流制限を設定可能
- システムにアダプタまたはバッテリ電源の使用を選択可能
- 動的電力経路管理によって、脆弱アダプタからの充電を最適化
- 超小自己消費電流モード
- 15nA(シャットダウンモード)
- ボタンプレスウェイク付き3.2µA(出荷モード)
- 3µA(バッテリ専用モード)
- 30µA入力アダプタIq(スリープモード)
- プッシュボタン・ウェイクアップ1個、リセット入力
- 統合障害保護
- 入力過電圧保護 (VIN_OVP)
- バッテリ低電圧保護 (VBUVLO)
- バッテリショート保護(BATSC)
- バッテリ過電流保護(BATOCP)
- 入力電流制限保護(ILIM)
- 熱安定化(TREG)、熱シャットダウン(TSHUT)
- バッテリ熱故障保護(TS)
- ウォッチドッグと安全タイマー故障
- システムショート保護
- システム過電圧保護
アプリケーション
- TWSヘッドセットとチャージケース
- スマートグラス、AR、VR
- スマートウォッチとその他のウェアラブルデバイス
- 小売オートメーションと決済
- ビル用オートメーション
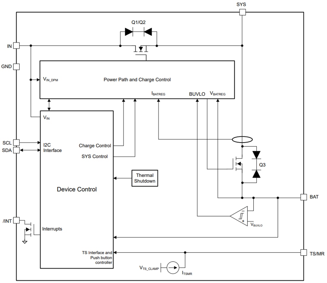
機能ブロック図
公開: 2022-03-01
| 更新済み: 2024-01-03

