Texas Instruments BQ25185 リニアバッテリチャージャIC
Texas Instruments BQ25185 リニアバッテリチャージャICは、電力パスとソーラー入力をサポートする1セル、1Aの単体リニアバッテリチャージャです。このリニアチャージャIC は、バッテリ寿命を延ばすために、小型のソリューションサイズと低静止電流に重点を置いています。BQ25185 チャージャは、3V~18Vの動作入力電圧範囲、25Vの許容入力電圧、最大3.125Aのシステム負荷、および4.5Vの安定化システム電圧(SYS)を備えています。BQ25185 チャージャ IC は、3 フェーズ(プリチャージ、定電流、定電圧) の 標準リチウムイオン (Li-ion) または LiFePO4 充電プロファイルを使用します。このバッテリチャージャICは、熱性能を発揮するサーマルパッドを備えた小型のリードレスパッケージで提供されます。代表的なアプリケーションには、TWSヘッドセットと充電ケース、スマートグラス、AR、VR、ウェアラブルデバイス、小売の自動化と支払い、ビルディングオートメーションなどがあります。特徴
- 1Aリニアバッテリチャージャ:
- 入力電圧動作範囲:3V~18V
- 許容入力電圧:25V
- 外部抵抗器でプログラム可能な動作:
- ILIM/VSETはバッテリ安定化電圧を3.6V、3.65V、4.02V、4.1V、4.2V、4.35V、または4.4Vに設定します
- ILIM/VSETは入力電流制限を100mA、500mA、または1100mAに設定します
- 充電電流を5mAから1Aに設定するISET
- Li-ion、Li-Poly、および LiFePO4 化学物質のサポート
- バッテリFETオン抵抗:115mΩ
- 最大3.125Aの放電電流で高いシステム負荷をサポート
- システムに電力を供給してバッテリを充電するための電力経路管理
- 4.5Vでの安定化システム電圧(SYS)
- 設定可能な入力電流制限
- USB一時停止モードをサポート
- 高インピーダンス入力源向けのバッテリトラッキング入力電圧ダイナミックパワーマネージメント(VINDPM)
- 動的電力経路管理によって、脆弱アダプタからの充電を最適化
- 超低自己消費電流
- バッテリ専用モードで4µA
- 入力アダプタ Iq :30µA(スリープ・モードで)
- 工場モードでのバッテリ放電電流:3.2μA
- 統合型障害保護
- 入力過電圧保護(VIN_OVP)
- バッテリ不足電圧保護(BUVLO)
- バッテリショート保護(BATSC)
- バッテリ過電流保護(BATOCP)
- 入力電流制限保護(ILIM)
- 熱安定化(TREG)および熱シャットダウン(TSHUT)
- バッテリ熱障害保護(TS)
- 安全タイマ障害
- ISETおよびILIM/VSETピンのショート/オープン保護
アプリケーション
- TWSヘッドセットと充電ケース
- スマートグラス、AR、VR
- スマートウォッチなどのウェアラブルデバイス
- リテールオートメーションと支払い(ペイ)
- ビルディングオートメーション
アプリケーション回路図
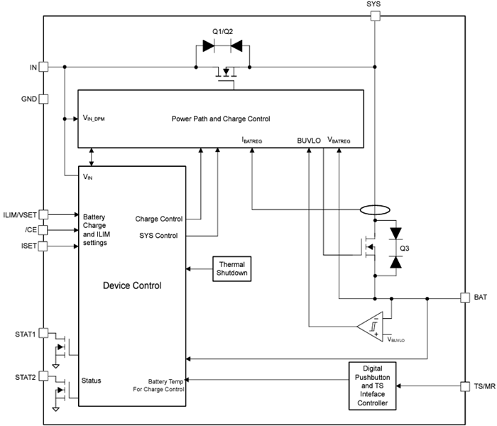
機能ブロック図
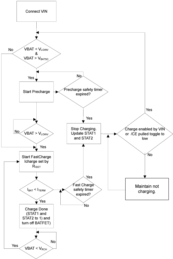
チャージャ・フロー図
公開: 2024-01-03
| 更新済み: 2024-01-29
