Texas Instruments DRV8840 DCモータ・ドライバ
Texas Instruments DRV8840 DCモータドライバは、5Aブラシ付きDCドライバで、突入保護が搭載されており、自動化された設備のアプリケーションに最適です。これらのドライバには、Hブリッジ・ドライバ1個が搭載されており、DCモータ1台の駆動を目的としています。DRV8840ドライバは、最大5Aピークまたは3.5Aの出力電流を供給できます。これらのドライバには、無効化された際にモータの制動または惰行が可能になるようにプログラミングできる減衰モードが装備されています。特徴には、過電流保護、短絡保護、低電圧ロックアウト、過温度があります。DCモータドライバは、PowerPAD™の28ピンHTSSOP DRV8840パッケージでご用意があります。アプリケーションには、プリンタ、スキャナ、ゲーム機、オフィスオートメーション機、ファクトリオートメーション、ロボティクスなどがあります。新しいDRV8874は、センスレジスタを排除することによって、DRV8840に比べてBOMスペースとコストを節約できます。特徴
- シングルHブリッジ電流制御モータ・ドライバ
- 動作電源電圧範囲: 8.2V~45V
- 5ビット電流制御により、最大32電流レベルが可能
- 低MOSFET RDS(ON)(typ)0.65Ω(HS + LS)
- 5A(最大)駆動電流@ 24V @ TA = 25°C
- 3.3Vリファレンス出力内蔵
- パラレル・デジタル制御インターフェイス
- 熱特性が改善された表面実装パッケージ
- 保護機能:
- 過電流保護(OCP)
- サーマルシャットダウン機能(TSD)
- VM低電圧誤動作防止(UVLO)
- フォルト状況表示ピン(nFAULT)
アプリケーション
- プリンタ
- スキャナー
- オフィス自動化マシン
- ファクトリオートメーション
- ロボット
- ゲーム用機械
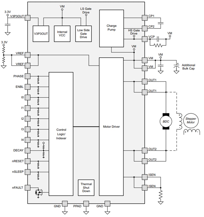
DRV8840のブロック図
DRV8840の概略図
公開: 2019-03-28
| 更新済み: 2023-08-14
