Texas Instruments LMR43606-Q1同期降圧コンバータ
Texas Instruments LMR43606-Q1同期降圧コンバータは、2mm × 2mm HotRodパッケージの小型36V、0.6A 降圧DC/DCコンバータです。これらのコンバータは、3.0V ~ 36Vの広い入力電圧範囲 (最大42Vの過渡電圧を備えた) をサポートします。LMR43606-Q1は、常時オン車載アプリケーションを対象とした低スタンバイ電力要件を満たすように設計されています。自動モードでは、軽負荷での動作時に周波数フォールドバックが有効になり、13.5VIN で1.5µAの無負荷消費電流と高い軽負荷効率性が可能になります。PWMモードとPFMモードの間のシームレスな移行と非常に低いMOSFETオン抵抗により、負荷範囲全体で優れた効率性を提供します。制御アーキテクチャと機能セットは、超小型設計サイズ向けに設計されています。このデバイスには、ピーク電流モード制御が採用されており、出力容量を最小限に抑えます。Texas Instruments LMR43606-Q1は、デュアルランダムスペクトラム拡散、最適化されたピン配列、低EMI HotRodパッケージで入力フィルタサイズを最小限に抑えます。MODE/SYNCおよびRTピンの型式を使用して、200kHz ~ 2.2MHzの間で周波数をセットまたは同期でき、ノイズに敏感な周波数帯域を回避できます。LMR43606-Q1の豊富な機能セットは、さまざまな車載用最終機器の実装を簡素化するように設計されています。
特徴
- 車載アプリケーションを対象としたAEC-Q100認定
- 温度グレード1(-40°C~+125°C、TA)
- 機能安全対応
- 機能安全システム設計を支援する文書を利用可能
- 1mAで85%以上の効率性
- ミニチュア設計サイズと低い部品コスト
- 2mm × 2mm HotRod™パッケージ(Wettable Flanks)
- 内部補償
- 超低EMI要件向け設計
- ピーク放射を低減する拡散スペクトラム
- MODE/SYNCピンを使用した軽負荷での定周波数を目的としたピン選択可能FPWMモード
- MODE/SYNCピンとのFSW 同期
- 自動車アプリケーション向けに設計
- ジャンクション温度範囲:-40°C~++150°C
- 42V自動車負荷ダンプをサポート
- 自動車コールドクランク用の3VIN をサポート
- VIN の最大95%まで調整可能、3.3V、5V固定VOUT オプションをご用意
- 拡張可能な電源用に設計
- 200kHz~2.2MHzで調整可能なFSW (RTピン)
- ピン互換性
- LMR43610-Q1(36V、1A)
- LMR36506-Q1(65V~600mA)
- LMR36503-Q(165V~300mA)
アプリケーション
- 先進運転支援システム(radar ECU)
- インフォテインメントとクラスタ(ヘッドユニット、eCall)
- ボディ電子部材と照明装置
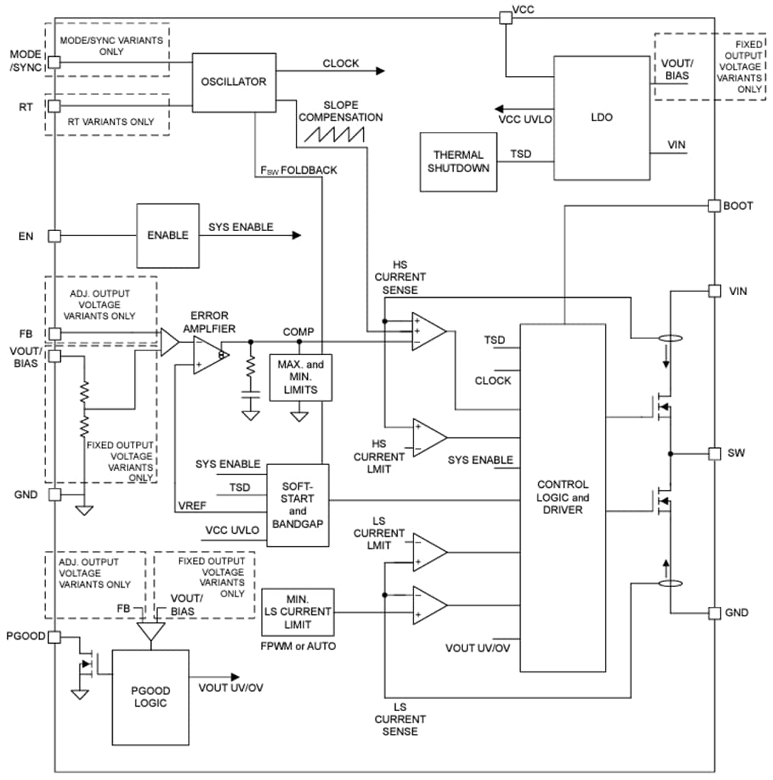
機能ブロック図
その他の資料
公開: 2024-03-25
| 更新済み: 2025-05-06
