TI LV14340コンバータには、サイクルごとの電流制限、熱センシング、過度の電力損失によるシャットダウン、出力過電圧保護などの保護オプションも組み込まれています。
LV14340は、低い熱抵抗の露出パッドを備えた8ピンHSOICに格納されております。
特徴
- 200kHz~2MHzの範囲で調整可能なスイッチング周波数
- 外部クロックへの周波数同期
- 使用が簡単になる内部補償
- 高負荷サイクル動作に対応
- 高精度イネーブル入力
- シャットダウン電流: 1µA
- 熱、過電圧、ショート保護
- PowerPAD™パッケージの8ピンSOIC
アプリケーション
- 自動車バッテリ規制
- 産業用電源
- テレコムおよびデータコムシステム
- バッテリ駆動のシステム
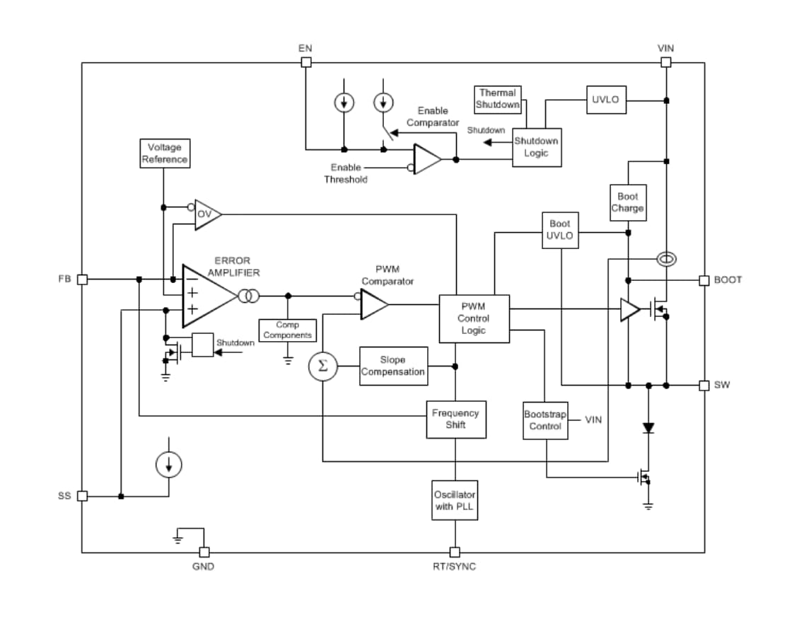
ブロック図
公開: 2024-05-13
| 更新済み: 2024-05-23

