Texas Instruments TMDS1204 12Gbpsハイブリッド・リドライバ
Texas Instruments TMDS1204 12Gbpsハイブリッド・リドライバは、最大12GbpsのデータレートをサポートしているHDMI 2.1リドライバです。HDMI 1.4bおよびHDMI 2.0bとの下位互換性があります。この高速差動入力と出力は、DC結合またはAC結合のいずれかになります。この機能は、TMDS1204をHDMIレベルシフタまたはHDMIリドライバに対してDP++として使用できます。TMDS1204は、3、6、8、10、12Gbpsでの3レーンおよび4レーンHDMI 2.1 FLをサポートできます。TMDS1204は、シンクとソースの両方のアプリケーションをサポートしているハイブリッド・リドライバです。ハイブリッド・リドライバは、制限されたまたはリニア・リドライバ機能のいずれかでの動作が可能です。TMDS1204が制限されたリドライバとして構成されている場合、差動出力電圧レベルは、レセプタクルでのHDMI準拠レベルが保証されるグラフィックスプロセスユニット(GPU)出力レベルの影響を受けません。制限されたリドライバ・モードは、HDMIソース・アプリケーションに推奨されています。TMDS1204がリニアリドライバとして構成されている場合、差動出力レベルはGPU出力レベルのリニア機能となります。この機能によって、TMDS1204をリンクトレーニングの透明性が実現し、チャンネル・ショートナーとして動作させることができます。リニアリドライバモードは、HDMIシンクアプリケーションに推奨されています。
Texas Instruments TMDS1204には、統合HPDレベルシフタがあります。HPDレベルシフタは、5V HPD信号を1.8Vまたは3.3Vのいずれかにシフトします。レベルシフタ出力は、プル、プッシュ、またはオープンドレイン用に構成することもできます。レベルシフタの統合によってディスクリートソリューションが排除され、システムコストを節約できます。TMDS1204は、VCCで3.3Vの単電源レールをサポートしています。商業温度(TMDS1204)および産業温度(TMDS1204I)で販売されています。
特徴
- 最大12GbpsのHDMI 2.1データレートをサポートしているAC結合またはDC結合入力と出力
- HDMI 1.4bおよびHDMI 2.0bとの下位互換性あり
- 3、6、8、10、12GbpsのHDMI 2.1固定レートリンク(FRL)
- HDMI 2.1 3レーン/4レーンFRLをサポート
- HDMIシンクアプリケーション向けに最適化
- 6GHzで最大12dBの適応型および固定イコライザ
- I2Cまたはピンストラップ・プログラマブル
- 1.8Vおよび3.3V LVCMOSレベルの両方をサポートしている統合HPDレベルシフタ
- 主要なレーンでの完全レーン・スワップ
- 個別のクロックとデータパスを必要とするアプリケーションを対象とした統合ファンアウト・バッファ
- 信号検出出力インジケータ
- リンク構成のためのデジタル・ディスプレイ制御(DDC)捜索機能
- 低電力消費
- 12G FRL 4レーン・アクティブ制限: 575mW
- 12G FRL 4レーン・アクティブ・リニア: 220mW
- 0.6mWパワーダウン
- 商業および工業温度で利用可能
- 3.3Vの単電源
- 40ピン、0.4mmピッチ、4mm × 6mm、WQFNパッケージ
アプリケーション
- ノートブックとデスクトップ
- TV
- ホームシアターとエンターテイメント
- ゲームシステム
- ドッキングステーション
- Proオーディオ、ビデオ、看板
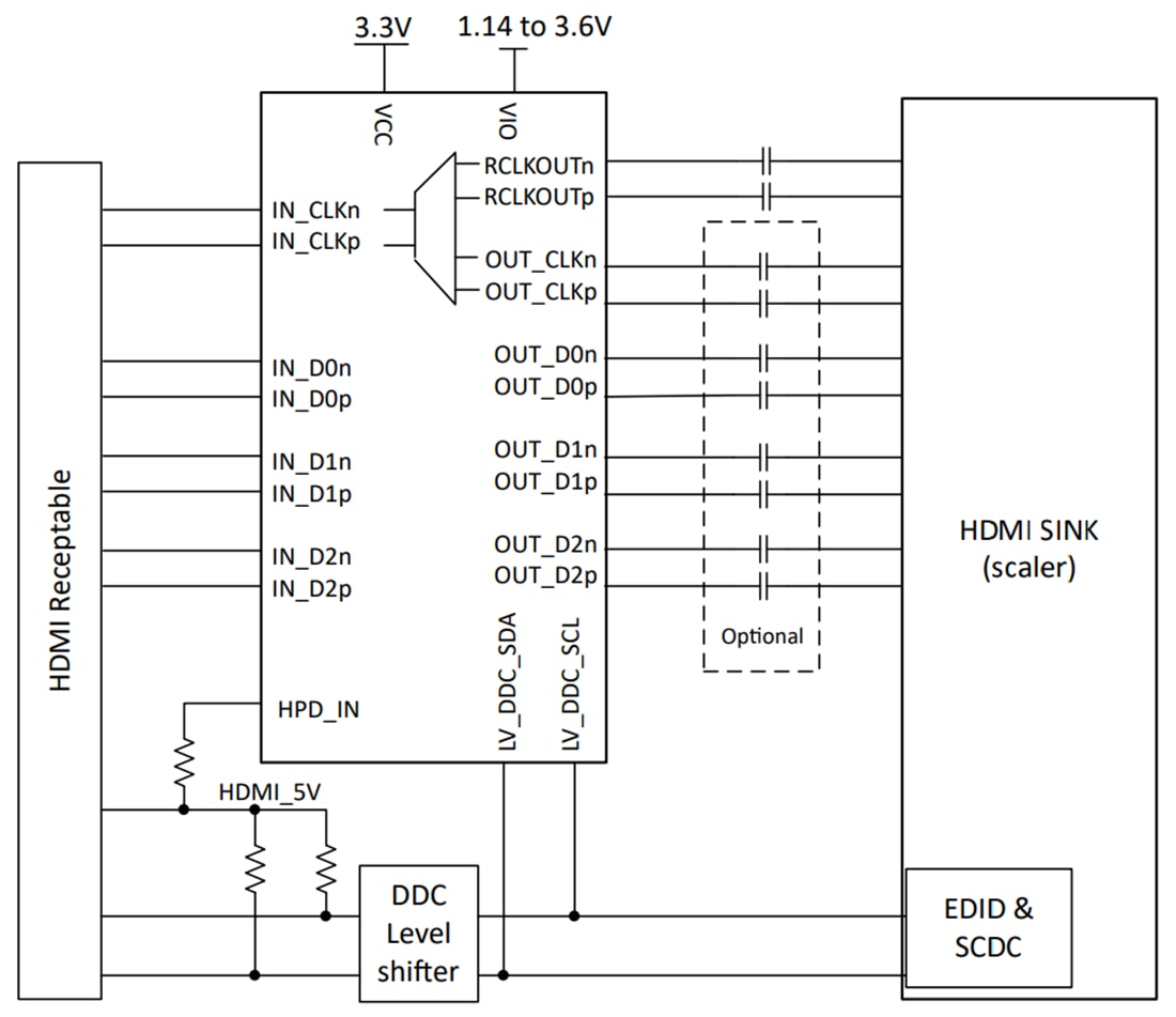
簡略図
公開: 2022-10-11
| 更新済み: 2023-04-13
