Texas Instruments TMP1827EVM評価モジュール (EVM)
Texas InstrumentsTMP1827EVM評価モジュール (evm) は、TMP1827温度センサーを評価するように設計されています。このTMP1827は、セキュア ハッシュ アルゴリズム (SHA) が統合された高精度の単線互換デジタル出力温度センサです。TMP1827センサは、-55°C ~ 150°C の温度範囲全体で、 ±0.3°C の高精度を提供します。TMP1827EVM評価モジュールは USBスティック フォームファクタで提供され、単線インターフェイスを使用してホストコンピューターとTMP1827デバイスの両方とインターフェイスするオンボードMSP430F5528マイクロコントローラを備えています。このモジュールは、評価ボード上のセンサとホスト コントローラーの間に穴があるように設計されています。特徴
- TMP1827温度センサーを評価
- USB スティックのフォームファクター
- MSP430F5528マイクロコントローラーを統合
- USB コントローラーボードとTMP1827センサボード間の穴
その他のリソース
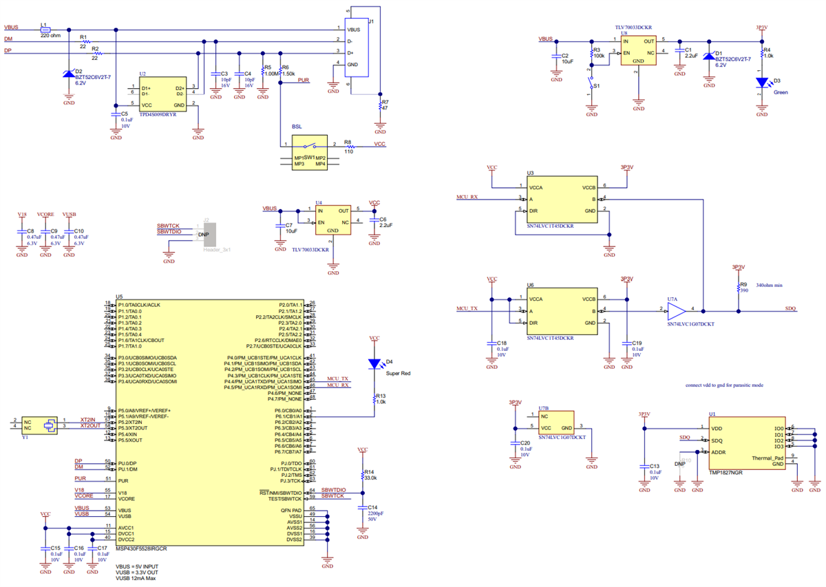
回路図
公開: 2023-02-09
| 更新済み: 2023-10-30
