Texas Instruments TPS543C20降圧SWIFTコンバータ
Texas Instruments TPS543C20降圧SWIFT™コンバータは、内部補償されたエミュレート・ピーク電流モード制御を採用しており、EMIに敏感なPOL向けにクロック同期が可能な固定周波数モジュレータを搭載しています。内部積分器とダイレクト増幅ランプ追跡ループによって、広範囲の周波数全体で外部補償の必要性が排除されます。この特徴によって、柔軟性に富んだ高密度のシンプルなシステム設計になります。オプションのAPIおよびボディ・ブレーキングによって、アンダーシュートならびにオーバーシュートを大幅に低減することで過渡性能が改善されています。低損失スイッチングを備えた内蔵のNexFET™MOSFETは高い効率性を誇っており最大40Aを供給します。また、5mm × 7mm PowerStack™パッケージに収められており、レイアウトしやすい熱パッドが付いています。2つのTPS543C20デバイスを積み重ねることができ、最大80Aのポイント・オブ・ロードを実現できます。特徴
- 内部補償された高度電流モード制御40A POL
- 入力電圧範囲: 4.0V~16.0V
- 出力電圧範囲: 0.6V~5.5V
- 無損失ローサイド電流検出が備わった統合3.0/0.9mΩスタックNexFET™電力段
- 固定周波数: 外部クロックおよび/または同期出力への同期
- ピンストラッピング・プログラマブル・スイッチング周波数
- スタンドアロンで300kHz~2MHz
- スタッカブルで300kHz~1MHz
- 電流共有、電圧共有、CLKシンクで80Aまでのスタック2X
- 0.5%精度で0.6V~1.1Vのピンストラッピング・プログラマブル・リファレンス
- 差動リモートセンシング
- プリバイアス出力への安全な起動に対応
- 高精度ヒカップ電流制限
- 非同期パルス注入(API)とボディブレーキ
- 0.5mmピッチおよび単体の熱パッド付き、40ピン、5mm×7mm LQFNパッケージ
アプリケーション
- 無線および有線通信インフラ機器
- 企業用サーバ、スイッチ、ルータ
- 企業用ストレージ、SSD
- ASIC、SoC、FPGA、DSPコアおよびI/Oレール
ビデオ
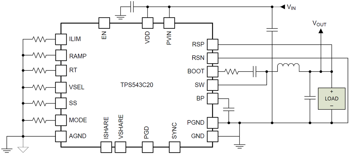
簡略図
公開: 2017-07-25
| 更新済み: 2022-06-07
