オプションのAPIとボディブレーキによって過渡性能が改善されており、アンダーシュートとオーバーシュートが大幅に削減されます。低損失スイッチングを備えた内蔵のNexFET™MOSFETは高い効率性を誇っており最大40Aを供給します。また、5mm × 7mm PowerStack™パッケージに収められており、レイアウトしやすい熱パッドが付いています。2台のTPS543C20Aを積み重ねることができ、最大80Aのポイント・オブ・ロードを実現できます。
特徴
- 内部補償された高度電流モード制御40A POL
- 入力電圧範囲: 4V~16V
- 無損失の低圧側電流センシングが備わった統合3.4/0.9mΩスタックNexFET™電力段
- 固定周波数: 外部クロックおよび/または同期出力への同期
- ピンストラッピング・プログラマブル・スイッチング周波数
- スタンドアロンで300kHz~2MHz
- スタッカブルで300kHz~1MHz
- 電流共有、電圧共有、CLKシンクで80Aまでのスタック2×
- 出力電圧範囲: 0.6V~5.5V
- 0.5%精度で0.6V~1.1Vのピンストラッピング・プログラマブル・リファレンス
- 差動リモートセンシング
- プリバイアス出力への安全な起動に対応
- 高精度ヒカップ電流制限
- 非同期パルス注入(API)とボディブレーキ
- 0.5mmピッチおよび単体の熱パッド付き、40ピン、5mm×7mm LQFNパッケージ
- WEBENCH®パワーデザイナが搭載されたTPS543C20Aを使用してカスタム設計を作る
アプリケーション
- 無線および有線通信インフラ機器
- 企業用サーバ、スイッチ、ルータ
- 企業用ストレージ、SSD
- ASIC, SoC, FPGA, DSP Core, and I/O Rails
その他の資料
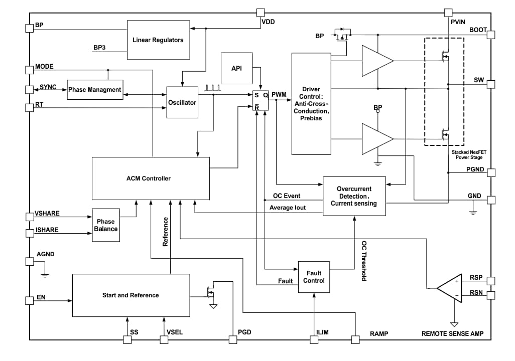
ブロック図
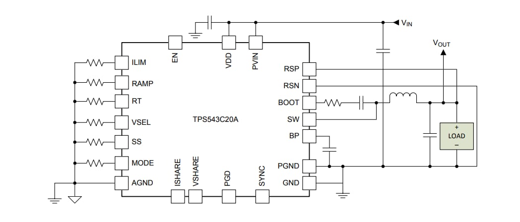
簡略図
公開: 2019-11-26
| 更新済み: 2024-02-08

