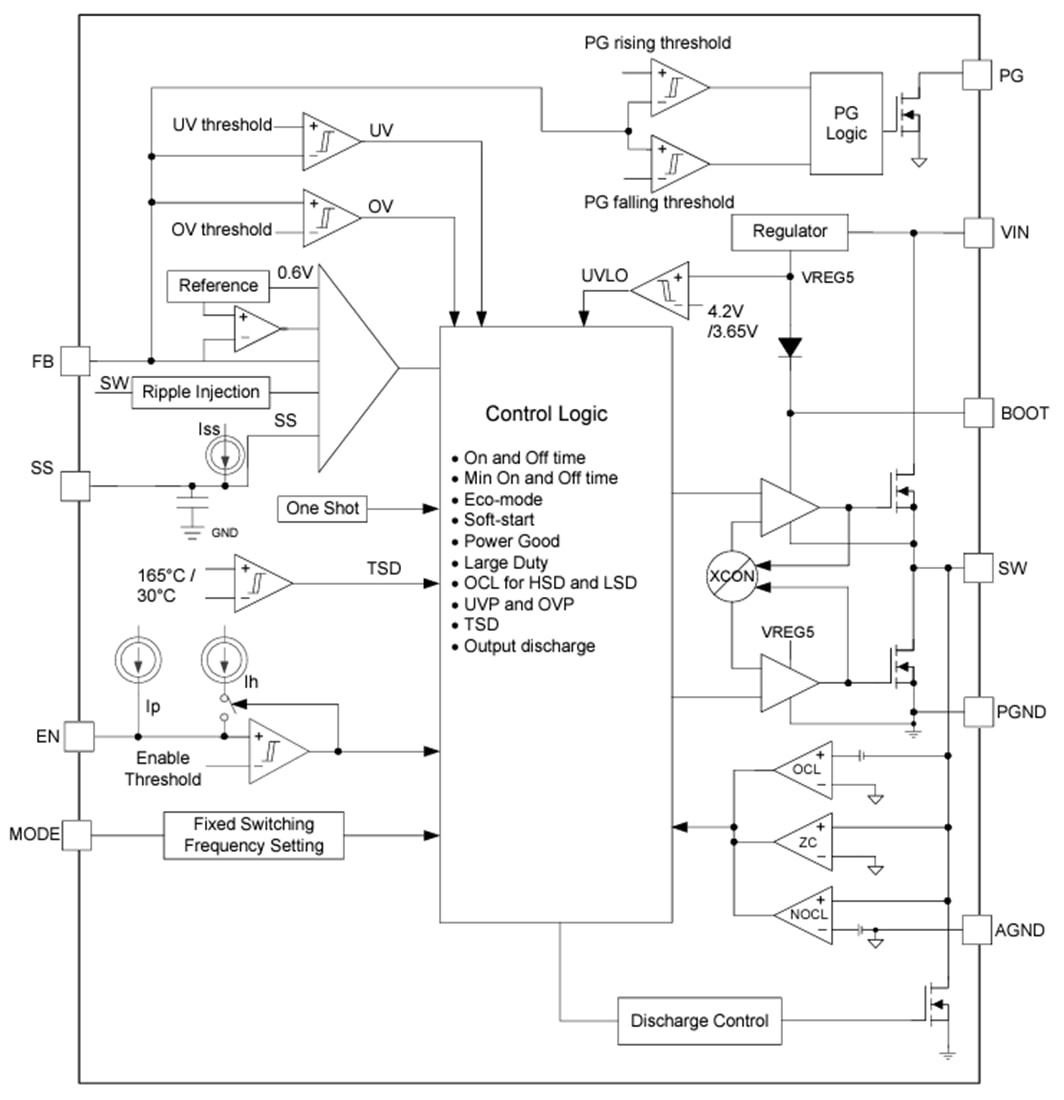
TPS56A37はエコモードで動作し、固定500kHzスイッチング周波数で軽負荷で高い効率性を達成します。TPS56A37には、SSコンデンサをデフォルトの1.8msおよびSSピン浮動に接続することによって調整できるソフトスタート時間があります。TPS56A37は、完全な非ラッチOV(過電圧)、UV(低電圧)、OC(過電流)、OT (過温度)、UVLO(低電圧ロックアウト)保護を実現しており、パワーグッドインジケータおよび出力放電機能機能を兼ね備えています。Texas Instruments TPS56A37は、10ピン、3.0mm × 3.0mmのHotRod QFNパッケージでご用意があり、接合部温度は-40°C~150°Cに指定されています。
特徴
- 入力電圧範囲4.5V~28V
- 出力電圧範囲0.6V~13V
- 10A連続出力電流をサポート
- 統合19.4mΩおよび8.5mΩ MOSFET
- 025°Cで0.6V±1%基準電圧
- 低自己消費電流:45uA
- 高速過渡応答を実現するD-CAP3™制御モード
- 高軽負荷効率を実現するエコモード(自動スキップモード)
- 固定500kHzスイッチング周波数
- サイクル毎の電流制限
- デフォルトの1.8msでソフトスタート時間を調整可能
- 内蔵出力放電機能
- 出力電圧を監視するパワーグッドインジケーター
- 最大98%デューティ操作をサポート
- UV、OV、OT、および UVLO に対する非ラッチ型保護
- 動作接合部温度:-40°C~+150°C
- 小型10ピン3.0mm×3.0mm HotRod™QFNパッケージ
- 6A TPS56637 および8ATPS56837 とのピン対ピン互換性
アプリケーション
- 産業用PC、EPOS、工場オートメーション、制御
- 多機能プリンタ、ビデオ会議システム
- 一般的な目的:12V、19V、24V電源バス供給
- モニタ、TV、スピーカ、PCとノートブック、ポータブル電子機器
機能ブロック図
公開: 2024-03-27
| 更新済み: 2024-04-09

