Texas Instruments TPS631010EVM-109評価モジュール

Texas InstrumentsTPS631010EVM-109評価モジュールは、TPS631010昇降圧コンバータの動作と機能を評価およびテストするように設計されています。このモジュールは、1.6V~5.5V入力電圧範囲で動作し、出力電圧は3.3Vに設定されます。この評価モジュールの出力電流は、Vin が、3Vより高い場合は2V 、Vin が2.7Vより高い場合は1.5Aまで増加する可能性があります。

特徴

  • 入力電圧範囲:1.6V~5.5V
  • 1.0V~5.5Vの出力電圧範囲
  • 3Aピーク電流制限
  • 静止電流 標準8µA

上面図

Texas Instruments TPS631010EVM-109評価モジュール

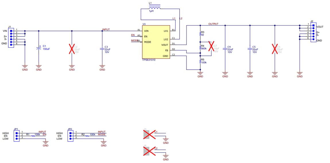
回路図

回路図 - Texas Instruments TPS631010EVM-109評価モジュール
公開: 2023-03-15 | 更新済み: 2024-01-23