TPS92665は内部発振器が特徴です。内部発振器は、内蔵低ノイズLVDSトランスミッタブロックとレシーバブロックを介して他のシステム機器と共有できます。UART(汎用非同期送受信機)シリアルインターフェイスは 、TPS92664、TPS92667、TPS92662x、TPS92663xと互換性があります。多重化された入力があるオンボードADCは、すべてのLEDチャネルとICダイ温度をサンプリングします。このADCは、システム温度補償、LEDビニング、コーディング専用のADC入力もサンプリングします。
Texas Instruments TPS92665はレジスタを内蔵しており、ストリング内の各 LEDの位相シフトとパルス幅のプログラミング、およびLEDの開放、短絡障害、機能パラメータのレポートを行います。
特徴
- 車載アプリケーションを対象としたAEC-Q100認定を取得済
- グレード1 (–40°C~125°C周囲温度)
- デバイスHBM分類レベルH1C
- デバイスCDM分類レベルC5
- 機能安全対応
- 機能安全システム設計を支援する文書を利用可能
- 16個の統合バイパス・スイッチ
- プログラマブル10ビットPWM調光
- プログラマブルスルーレート制御
- LEDオープン検出と保護
- シングルLEDショート検出
- UARTシリアル通信
- システムクロック用の内部発振器
- デバイスの同期に適したLVDSクロックドライバ
- 旧LMM世代との互換性
- CANトランシーバとの互換性
- 集積ADC
- 各スイッチのLED電圧
- ダイ温度
- 2x 汎用ADC入力(サーミスタ互換)
アプリケーション
- 車載用ヘッドライト・システム
- ADBまたはグレアフリー・ハイビーム
- シーケンシャルターン、アニメーション日中走行灯
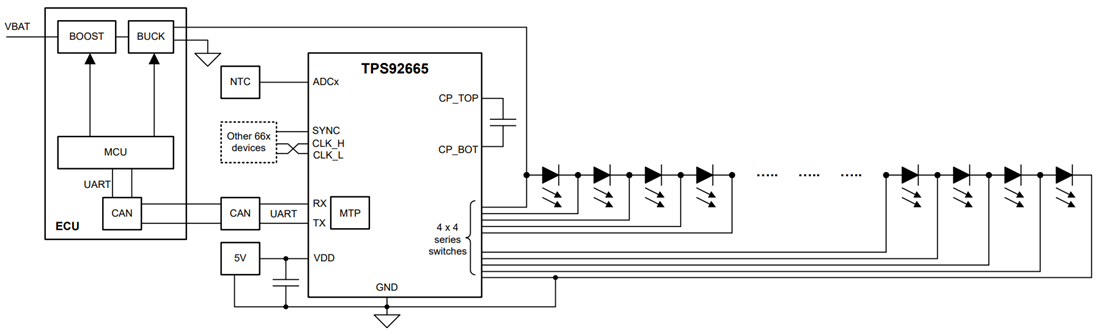
簡略アプリケーション
公開: 2022-10-28
| 更新済み: 2025-03-05

