Texas Instruments TRF1305デュアル・チャンネル完全差動アンプ
Texas Instruments TRF1305デュアルチャンネル完全差動アンプは、真のDCから > 6.5GHzの動作帯域幅を備えた、非常に高性能の閉ループ、デュアルチャンネルRFアンプです。このデバイスは、DCまたはAC結合インターフェイスを備えた、ADC12DJ5200RFやADC32RF5xなどの高速、高性能ADCをドライブする優れた性能を備えています。このアンプは、RF、ゼロおよび複素IF、高速時間ドメインアプリケーション向けに最適化されています。このデバイスは、プリセット・ゲイン構成での性能に最適化されています。プリセットより低いゲインが必要な場合は、外部抵抗器を使用してください。TRF1305は、異なる出力コモンモード電圧と入力コモンモード電圧を設定できるVOCMピンを備えています(例として、レベルシフト用、または異なるDC コモンモード電圧を備えたほとんどのIQ ダウンコンバータADCインターフェイス・アプリケーション)。また、フローティング2レール分割または単一電源オプションと、入力コモンモード範囲をより電源に近づけることができるMODEピンを備えています。高いチャンネル間絶縁により、シグナルインテグリティを損なうことなく、複雑なIQ 送信または受信信号チェーンでデバイスを使用することができます。
Texas Instruments TRF1305には、ユーザーが各チャンネルの電源を個別にオフにする機能があります。このデバイスは、TI独自の先進BiCMOSプロセスで製造され、省スペースの2.5mm×3.0mm、16ピン、WQFN-FCRLFパッケージで提供されます。
特徴
- 性能が最適化された3つの電力利得バリアント
- 5dB (TRF1305A2)
- 10dB (TRF1305B2)
- 15dB (TRF1305C2)
- 外部抵抗器を使用して、プリセット・ゲインを減らすことができる
- 高い大信号帯域幅
- TRF1305B2: 7GHz (3dB) 、6.5GHz (1dB)
- OP1dB (差動100Ω負荷)
- 16dBm (2GHz) 、12.5dBm (4GHz)
- 34dBm (2GHz) 、24dBm (4GHz) の OIP3
- 10.2dB (2GHz) 、12dB (4GHz) ノイズ指数
- スルーレート:25kV/µs
- 大きい入力 (±1V) および出力 (±0.5V) コモンモード電圧範囲
- 柔軟な構成とモード
- シングルエンド入力、差動出力 (S2D)
- 差動入力、差動出力 (D2D)
- シングルエンド出力(性能に制限あり)
- ACまたはDC結合の入力/出力
- 調節可能出力コモンモード電圧
- 入力コモンモード、範囲拡張モード
- 5V、柔軟なシングルまたはスプリット電源をサポート
- 有効電力消散:500mW/チャンネル
- 各チャンネルのパワーダウン
アプリケーション
- RFサンプリングまたはGSPS ADCドライバ
- テストと測定
- 無線通信テスト
- 高速データ収集
- オシロスコープ (DSO)
- 高速デジタイザ
- スペクトラム・アナライザ
- Vector信号トランシーバ (VST)
- コモンモードのレベルシフト
- RFアクティブバラン
- I/Qミキサ・インターフェイス
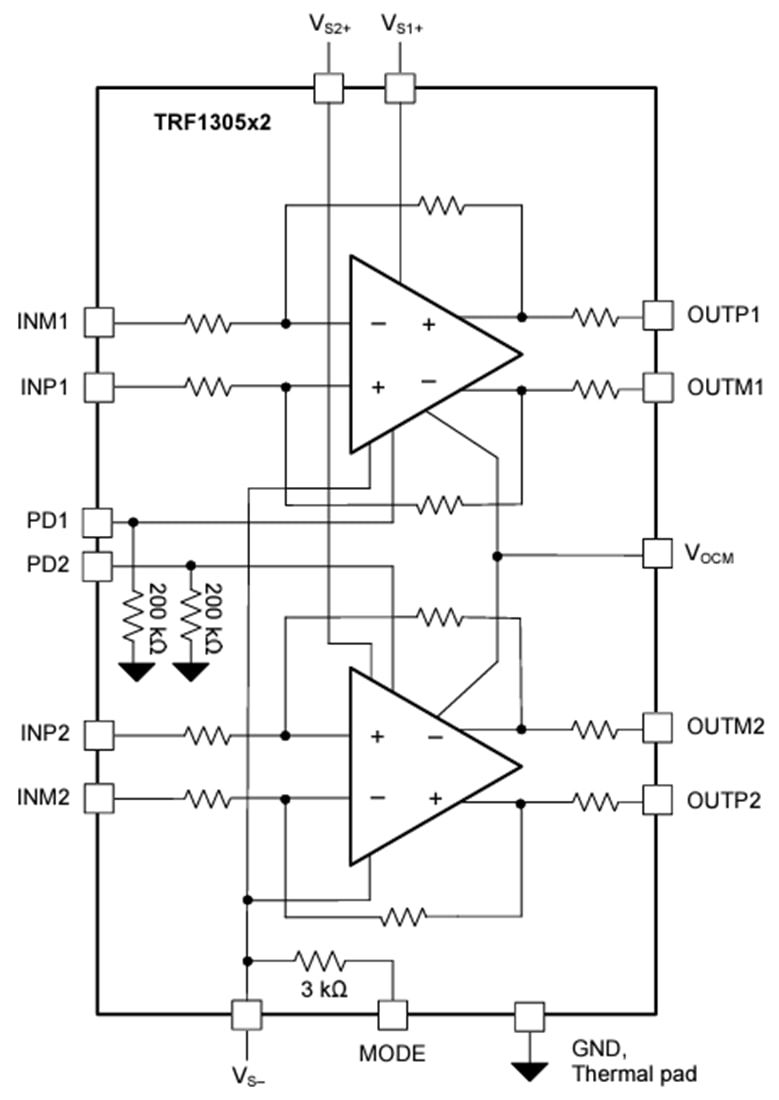
機能ブロック図
公開: 2024-04-15
| 更新済み: 2025-02-22
