4種類のTITRF1305x2-D2D-EVM評価モジュールの4つのタイプは、構成内のすべてのデバイス・バリエーションに対応しています。
特徴
- 分割電源操作向けに構成されており、単一電源用に簡単に変更できます
- 標準な50Ω入出力インピーダンステスト機器に簡単に接続できるように設計されています。
- シングルエンドまたは差動入力信号
- ジャンパコネクタを使用するパワーダウンオプションがオンボードで利用可能
アプリケーション
- RFサンプリングまたはGSPS ADCドライバ
- テストと測定
- 無線通信テスト
- 高速データ収集
- オシロスコープ (DSO)
- 高速デジタイザ
- スペクトラム・アナライザ
- Vector信号トランシーバ (VST)
- コモンモードのレベルシフト
- RFアクティブバラン
- I/Qミキサ・インターフェイス
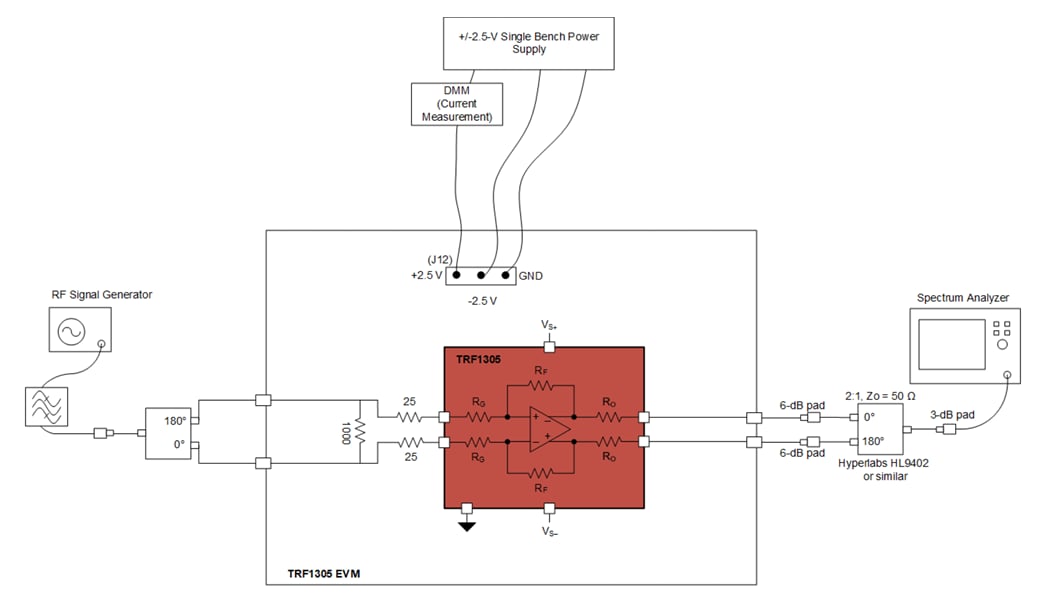
ゲインおよび出力P1dB用のシングルトーンセットアップ
レイアウト
公開: 2024-09-12
| 更新済み: 2025-02-22

