Texas Instruments UCC24624同期整流器(SR)コントローラ
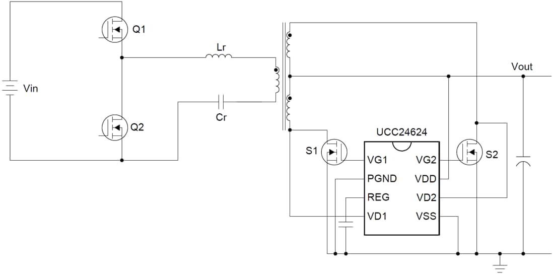
Texas Instruments UCC24624同期整流器(SR)コントローラは、LLC共振コンバータ専用で、損失の多いダイオード出力整流器をSR MOSFETに置き換えてシステム全体の効率を向上させることができます。UCC24624 SRコントローラには、ドレイン-ソース電圧センシング・メソッドも採用されており、SR MOSFETのオンおよびオフ制御を達成できます。比例ゲート駆動は、SR導通時間の延長とボディダイオードの導通時間の最小の実現できるように実装されています。SR MOSFET寄生インダクタンスによって生じるオフセット電圧を補償するために、UCC24624には、さまざまなSR MOSFETパッケージに対応するように調整できる正のターンオフ閾値が実装されています。UCC24624には、内蔵475nsオンタイム・ブランキングと固定650nsオフタイム・ブランキングがあり、SRの障害によるターンオンとオフを回避できます。また、UCC24624には、2チャンネル・インターロック機能も統合されており、2つのSRが同時にオンになることが防止されます。230V電圧センシング・ピンと28V ABSで最大VDD定格が備わっており、出力電圧最高24.75Vまでのコンバータで直接使用できます。また、内部クランプによってコントローラは、VDDに外部電流制限レジスタを追加するだけで、36V出力電圧をサポートできます。UCC24624には、平均スイッチング周波数に基づいた内蔵スタンバイモード検出が搭載されており、外付け部品を使用せず自動的にスタンバイモードに入ります。180µAという低スタンバイモード電流は、CoCやDoE規制といった現代の無負荷消費電力要件への適合をサポートしています。UCC24624は、UCC25630x LLCおよびUCC28056 PFCコントローラと併用すると、優れた軽負荷と無負荷性能を維持しながら高い効率性を達成でいます。UCC28064A、UCC28180、UCC28070といった他のPFCコントローラを使用して、さらなる高電力レベルを達成できます。1.5Aピークソースと4Aピークシンク駆動能力によって、UCC24624は、最大1kWまでのLLCコンバータをサポートできます。
特徴
- 230V VDピン定格
- 共振周波数以上および最大625kHzのスイッチング周波数を超過するLLC動作のサポートを目的とした23nsのターンオフ遅延
- SR実施時間を延長できる比例ゲート駆動
- ボディ・ダイオードの導通を最小限に抑えるための調整可能ターン・オフ閾値
- 180μとうい低スタンバイ電流での自動スタンバイモード検出
- ワイド4.25V~26V VDD動作範囲(内部クランプ搭載)
- 優れたDCMリング除去のための適応型ターンオン遅延
- シュートスルーを防止するための2チャンネル・インターロック
- NチャンネルMOSFETを対象とした統合1.5Aソースおよび4Aシンク対応ゲートドライバ
- 8ピンSOICパッケージ
標準アプリケーション図
公開: 2019-04-02
| 更新済み: 2023-08-16
