Texas Instruments PFCLLCSREVM034 AC to 絶縁DC評価モジュール
Texas Instruments PFCLLCSREVM034 AC - 絶縁DC評価モジュール(EVM)は、UCC28056B、UCC25604、UCC24624デバイスを評価します。評価モジュールは、トランジション・モード力率補正フロント・エンドと絶縁型ハーフブリッジLLC共振コンバータ(同期整流)を備えた168WAC/DC電源です。Texas Instruments のPFCLLCSREVM034は、90Vrms から264Vrms までの AC 入力を受け付け、168W全負荷出力電力で12VDC を出力します。特徴
- 低コスト単層プリント基板
- AC入力電圧:90Vrms ~264Vrms
- 安定化12VDC 標準出力
- 全負荷電力168W、またはの全負荷電流14A
- 最適化された低電力機能により、極めて低い待機電力を実現
- 高効率
- 可聴ノイズを最小限に抑えるためのバースト・ソフト・オンとソフト・オフが搭載された高度バースト・モード
- Xコンデンサ放電
- デバイスおよびトポロジの評価を促進するテストポイント
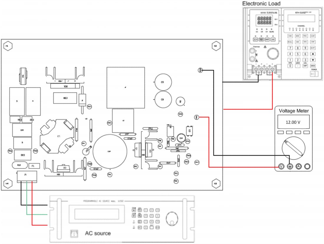
必要な機器
- AC電圧源
- 単相出力AC電圧85~265VAC、47~63Hz、調整可能、最小定格電力100Wおよび電流制限機能付き
- 使用するAC電圧源は、IEC60950の強化絶縁要件を満たす必要があります。
- DCデジタルマルチメータ
- 0VDC~450VDC入力範囲に対応できる装置1台、4桁ディスプレイを推奨
- 0VDC~20VDC入力範囲に対応できる装置1台、4桁ディスプレイを推奨
- 出力負荷
- 0VDC~20VDC、0A~14A、0W~300Wまたはそれ以上を受け取る能力があるDC負荷で、負荷電流や負荷電力といった情報を表示する能力があります。
- オシロスコープ
- 500MHzのフル帯域幅、デジタルまたはアナログ(デジタル、5Gsps、それ以上の場合)が可能
- ファン
- 強制空気200~400LFMを推奨しますが、必須ではありません。
- 推奨されるワイヤゲージ
- 25Aの能力があり、あるいは#14 AWGより良好、ワイヤ全長8フィート未満(入力4フィート、リターン4フィート)
アプリケーション
- 工業AC-DCアダプタ
- 電力ツール
- 医療電源
- 多機能プリンタ
- 企業および映画プロジェクタ
- PC電源
- ゲームコンソール電源
テストセットアップ
公開: 2020-08-24
| 更新済み: 2024-08-16
