Texas Instruments UCC28750EVM 評価モジュール
Texas Instruments UCC28750EVM評価モジュールは、オフラインAC/DCフライバック・コンバータを評価する設計を採用しています。この評価モジュールは、フォトカプラを使用したフィードバックを採用、60W、定電圧を供給するフライバック・コントローラのUCC287502を使用しており、2.5Aのチャージ電流を連続供給します。UCC28750EVM評価モジュールは、85VRMS ~265VRMS の入力電圧を、最小24VDC に降圧変換し、60Wの出力電力を供給できます。 UCC28750EVM-071は、評価用であり、最終製品として使用するものではありません。このモジュールは、絶縁型オフライン AC/DC 電源、バッテリ充電器、グリッド インフラストラクチャ用の産業用 AC/DC、テレビ、プリンター、電力メーター、家電製品、マイクロ インバーターで使用されます。特徴
- UCC28750電流モード・フライバック・コントローラを評価するための設計を採用
- 24VDC ±5%のレギュレーション
- 60W出力を供給
- 85VRMS ~265VRMS の広い入力電圧範囲
- 最大負荷効率:90%超過
アプリケーション
- 絶縁型オフラインAC/DC電源
- グリッド・インフラ用の産業用AC/DC、家電
- オーディオ、プリンタ、TV、セットトップ ボックスのオフラインAC/DC
- マーチャントDINレール電源、サーバーPSU
- バッテリ充電器
- 電子メータ
- ストリングインバータ、マイクロインバータ
- 小型家電、エアコン室内機/室外機
テスト・セットアップ図
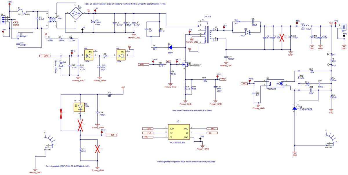
スキーム図
公開: 2024-01-12
| 更新済み: 2024-02-15
