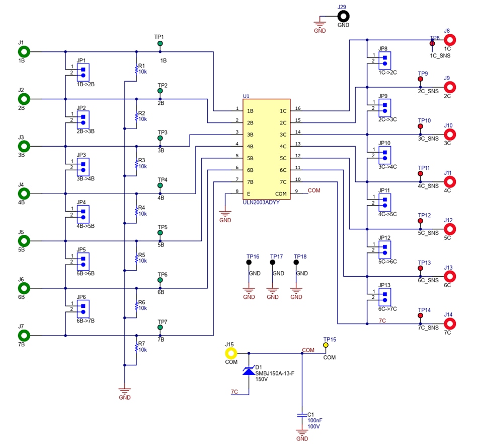
TIULN2003ADYYEVMは、電圧供給と出力負荷が付属したスタンドアロン・ボードとして使用できるように開発されています。このスタンドアロン・ボードは、より重要なアプリケーションの電源システムの一部として設計する前に、ULN2003ADYYをテストおよび評価することができます。ULN2003ADYYEVMはULN2003ADYYSOT(DYYバージョン)を搭載しています。
特徴
- INx信号がフローティングにならないように、各制御入力にプルダウン抵抗を配置
- より大きい電流能力を実現するために、パラレルチャンネルに複数のジャンパを接続
- OUT7でNPNドライバがOFFになったときに励起される誘導負荷からのキックバック電圧を抑制するために、OUT7からCOMに追加のダイオードが接続されています。
アプリケーション
- リレードライバ
- ステッピングモータおよびDCブラシ付きモータドライバ
- ランプドライバ
- ディスプレイドライバ(LEDおよびガス放電)
- ライン・ドライバ
- ロジックバッファ
回路図
公開: 2025-02-22
| 更新済み: 2025-03-06

