Renesas Electronics ISL81801評価ボード
Renesas Electronics ISL81801評価ボードは、ISL81801 80V同期バックブーストコントローラの評価に使用するように設計されています。これらのボードには、双方向動作、パルススキッピングDEM動作での高軽負荷効率、プログラマブル・ソフトスタートが搭載されています。ISL81801評価ボードは、オプションのCC/HICCUP OCP保護、OVP、OTP、UVP保護を実現しています。インダクタサイズは、100kHz~600kHzの間でプログラミングできるスイッチング周波数範囲で最適化されています。また、強力なゲートドライバは、バックブースト出力向けに最大20Aまでの電流を実現しています。これらの評価ボードは、大電流アプリケーションを対象に設計されています。ISL81801EVAL1Z評価ボード
ISL81801EVAL1Z評価ボードは、9V~80V入力電圧範囲で動作し、200kHzスイッチング周波数、12V出力電圧、10A出力電流を実現しています。この評価ボードは、周囲の室温で最小11Aまでの過電流保護(OCP)セットポイントが特徴です。
ISL81801EVAL2Z評価ボード
ISL81801EVAL2Z評価ボードは、48V出力電圧および5A出力電流を実現している32V~80V入力電圧範囲で動作します。この評価ボードは、周囲の室温で最小5.5Aまでの過電流保護(OCP)セットポイントが特徴です。
特徴
- PGOOD インジケータ
- 過電圧防止機能 (OVP)
- ワンタイムプログラマブルメモリ(OTP)
- 低電圧保護(UVP)
- オプションのCC/ヒカップOCP保護
- 100kHz~600kHzの間でスイッチング周波数範囲をプログラミング可
仕様
- ISL81801EVAL1Z評価ボード:
- 9V~80V入力電圧範囲
- スイッチング周波数: 200kHz
- 12Vの出力電圧
- 出力電流: 10A
- 周囲室温での11A OCPセットポイント
- ISL81801EVAL2Z評価ボード:
- 32V~80V入力電圧範囲
- スイッチング周波数: 200kHz
- 48V出力電圧
- 5A出力電流
- 周囲室温での5.5A OCPセットポイント
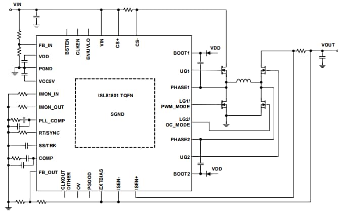
ブロック図
View Results ( 2 ) Page
| 部品番号 | データシート | 入力電圧 | 出力電圧 | 出力電流 |
|---|---|---|---|---|
| ISL81801EVAL1Z | ![]() |
9 V to 80 V | 12 V | 10 A |
| ISL81801EVAL2Z | ![]() |
32 V to 80 V | 48 V | 5 A |
公開: 2020-12-16
| 更新済み: 2022-03-11

