Texas Instruments DRV8842モータドライバ
Texas Instruments DRV8842モータ・ドライバは、プリンタ、スキャナ、その他の自動化された機器アプリケーションを対象とした組み込みモータ・ドライバ・ソリューションです。これらのデバイスは、8.2V~45Vの供給電圧で動作します。DRV8842ドライバには、Hブリッジ・ドライバ1台が搭載されており、DCモータ1台、ステッパ・モータのコイル1個、あるいは他の負荷の駆動を意図しています。この出力ドライバ・ブロックは、Hブリッジとして構成されたNチャンネル・パワーMOSFETで構成されています。DRV8842は、最大5Aピークまたは3.5A RMS出力電流を供給できます。特徴には、過電流保護、短絡保護、低電圧ロックアウト、過温度があります。その他のアプリケーションには、オフィスオートメーション機、ゲーム機、工場オートメーション、ロボティクスなどがあります。新しいDRV8874は、センスレジスタを排除することによって、DRV8842に比べてBOMスペースとコストを節約できます。特徴
- シングルHブリッジ電流制御モータ・ドライバ
- 動作電源電圧範囲: 8.2V~45V
- 5ビット巻線電流制御により、最大32電流レベルが可能
- 低MOSFET RDS(ON)(typ)0.2Ω(HS + LS)
- 5A(最大)駆動電流@ 24V 25°C
- 3.3Vリファレンス出力内蔵
- 業界標準PWM制御インターフェイス
- 熱特性が改善された表面実装パッケージ
- 保護機能:
- 過電流保護(OCP)
- サーマルシャットダウン機能(TSD)
- VM低電圧誤動作防止(UVLO)
- フォルト状況表示ピン(nFAULT)
アプリケーション
- プリンタ
- スキャナー
- オフィス自動化マシン
- ゲーム用機械
- ファクトリオートメーション
- ロボット
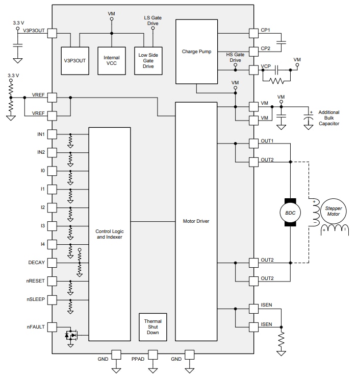
DRV8842のブロック図
DRV8842の概略図
公開: 2019-03-28
| 更新済み: 2023-08-11
