Renesas Electronics ISL81805(80Vデュアル同期・昇圧コントローラ)
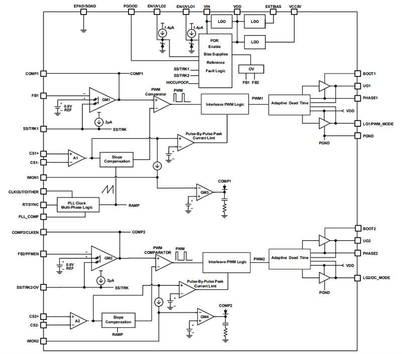
Renesas Electronics 80Vデュアル同期・昇圧コントローラISL81805は、さまざまな産業用および汎用アプリケーションを対象として2つの独立した出力、または2つのインターリーブ位相を持つ1つの出力を生成します。広い入力/出力電圧範囲によって、このコントローラは、電気通信、データセンター、コンピューティングのアプリケーションに適しています。スペース重視の32リード 5mm x 5mm TQFNパッケージであるこのコントローラは、プログラム可能なソフトスタートと、電源レールのシーケンシングを簡素化する電源正常インジケータを備えた精度閾値イネーブル機能が特徴です。高信頼性を確保するため、このデバイスは、両方の出力でOVP、UVP、OTP、平均およびピーク電流制限のような完全な保護機能も提供します。Renesas ISL81805は、2つの出力に対して位相インターリーブを備えたピーク電流モード制御を使用します。各出力には電流モニタ、電圧レギュレータ、平均電流レギュレータが搭載されており、独立した平均電圧と電流制御を提供します。内部の位相ロック・ループ(PLL)発振器により、100kHz ~ 1MHzの精度周波数設定が保証され、周波数同期と位相インターリーブ並列アプリケーションを対象に、発振器を外部クロック信号に同期させることができます。このPLL回路は、必要なインターリーブ位相シフトを用いて3相、4相、6相まで拡張されるプログラム可能な位相シフト・クロック信号を出力できます。
特徴
- 広い入力電圧範囲:4.5V~80V
- 広い出力電圧範囲:5V~80V
- 4つの MOSFETドライバ(適応型シュートスルー保護機能を備えた)
- 定出力電圧および出力電流帰還ループ制御
- 軽負荷効率性の拡張、低リップル・ダイオード・エミュレーション、バースト・モード動作
- プログラム可能なソフトスタート
- プリバイアスされたレール内への起動をサポート
- プログラム可能な周波数範囲: 100kHz ~ 1MHz
- 外部クロック同期
- カスケード位相インターリーブによる電流共有をサポート
- PLLや周波数デザリングによって制御される精度位相角を備えたクロックを出力
- PGOODインジケータ
- 入力電流モニタ
- PWM/DE/バーストの間で選択可能なモード
- EN/UVLO閾値の精度:±2%
- 5µAの低シャットダウン電流
- OCP (パルス・バイ・パルスおよびオプションのヒカップや定電流モード) 、OVP、OTP、UVP
アプリケーション
- 電気通信
- サーバーとデータセンター
- 車載用電子機器
- 産業機器
- 電力システム
代表的なアプリケーション
ブロック図
その他の資料
公開: 2023-12-12
| 更新済み: 2023-12-21
