Texas Instruments LMR60420/LMR60420-Q1同期降圧コンバータ
Texas Instruments LMR60420/LMR60420-Q1同期降圧コンバータは、高効率3V~36V、超低 IQ コンバータで、高電力密度と低EMIを実現します。このコンバータは、出力電圧ノード、フィードバック、グランド間の抵抗分圧を含め、1V~20Vの出力電圧範囲を提供します。LMR60420/LMR60420-Q1コンバータは、電源シーケンス用のパワーグッド出力と、動作モードを選択するための MODE/SYNC ピンを備えています。30ns最小オン時間を持つ電流モード制御アーキテクチャにより、高周波での高い変換比、容易なループ補償、高速な過渡応答、優れた負荷およびラインレギュレーションを実現します。LMR60420/LMR60420-Q1は、超小型、2.5mmx2mm、HotRod QFN-9 パッケージのスペクトラム拡散付きバリアントを提供します。代表的なアプリケーションには、ファクトリーオートメーションや制御、家電製品、ビルディングオートメーションなどがあります。LMR60420/LMR60420-Q1コンバータは、5µA静止電流を消費し、すべての負荷で高効率を保証します。強制パルス幅変調(FPWM)モードは負荷全体で一定のスイッチング周波数を生成し、オートモードはPWMスイッチングとPFMスイッチングの間のシームレスな移行を可能にします。LMR60420/LMR60420-Q1デバイスの電気特性は、最大ジャンクション温度150°Cまで規定されています。LMR60420-Q1デバイスは、AEC-Q100車載アプリケーションの認定を受けています。
特徴
- 機能安全対応
- 機能安全システム設計を支援する文書を利用可能
- 3Vto36V(42V絶対最大) ワイド動作入力電圧
- ピンでプログラム可能な出力電圧オプションは、固定3.3V/ADJおよび5V/ADJ
- 1Vto20V出力電圧可変範囲
- 低い最小tON(標準値30ns)
- 低電磁干渉(EMI)要件に最適化
- 低インダクタンス HotRod™QFNパッケージ
- 高度なスペクトラム拡散オプションが利用可能
- 200kHzto2.2MHzプログラム可能なスイッチング周波数範囲
- 強制パルス幅変調(FPWM)、パルス周波数変調(PFM)、または外部周波数同期が可能
- 超低自己消費電流
- 0.65μAシャットダウン電流
- スタンバイ電流:5μA
- 電源シーケンス用のパワー・グッド出力
アプリケーション
- ファクトリーオートメーションと制御
- ビルオートメーション
データシート
簡易回路図 - 固定出力
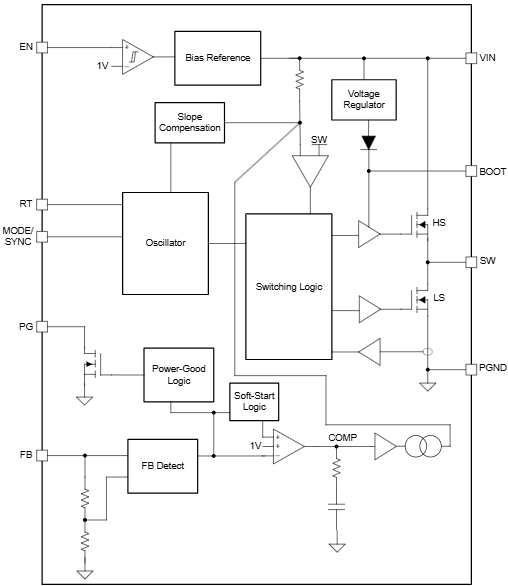
機能ブロック図
公開: 2025-01-23
| 更新済み: 2025-09-03
