Texas Instruments LMR60440 同期バックコンバータ
テキサス・インスツルメンツ LMR60440 同期降圧コンバータは、効率性の高い3V ~ 36V、4A、超低 IQ コンバータで、高電力密度と低EMIを実現します。これには、出力電圧ノード、フィードバック、および接地の間の抵抗分圧器を含め、1V〜20Vの出力電圧範囲が備わっています。LMR60440コンバータは、電源シーケンス用のパワーグッド出力、および動作モードから選択するためのMODE/SYNCピンを備えています。最小オン時間が30nsの電流モード制御アーキテクチャにより、高周波数での高い変換率、簡単なループ補償、高速過渡応答、優れた負荷とライン調整が可能になります。LMR60440は、超小型の2.5mm x 2mm HotRod QFN-9パッケージでスペクトラム拡散を備えたバリエーションを提供します。代表的なアプリケーションには、ファクトリーオートメーションと制御、家電、ビルのオートメーションなどがあります。LMR60440コンバータは、5µAの自己消費電流を消費し、すべての負荷で高い効率を保証します。強制パルス幅変調(FPWM)モードは、負荷全体に渡って一定のスイッチング周波数を生成する一方で、自動モードはPWMとPFMスイッチングの間のシームレスな遷移が可能になります。LMR60440デバイスには、最高150°Cまでの接合部温度に仕様化された電気特性があります。
特徴
- 機能安全対応:
- 機能安全システム設計を支援する文書を利用可能
- 3V〜36V(絶対最大42V)の広い動作入力電圧
- 超低自己消費電流:
- シャットダウン電流: 0.65μA
- 無負荷スタンバイ電流5μA
- 固定3.3V/ ADJ、および5V/ ADJで利用可能なピンプログラム可能な出力電圧オプション:
- 調整可能な出力電圧範囲:1V〜20V
- 低電磁干渉(EMI)要件に即して最適化:
- 低インダクタンス HotRod™QFNパッケージ
- スペクトラム拡散オプションを利用可能
- (標準)最小低 tON :30ns
- プログラム可能なスイッチング周波数:200kHz〜2.2MHz
- FPWM、PFM、または外部周波数同期を利用可能
- スケーラブルな電源向けに設計
- LMR60406、LMR60410、LMR60420、LMR60430とのピン互換性あり
- 電源シーケンス用のパワーグッド出力
アプリケーション
- ファクトリーオートメーションと制御
- ビルオートメーション
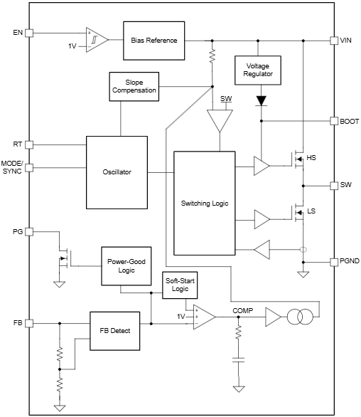
機能ブロック図
公開: 2025-01-23
| 更新済み: 2025-10-09
